Swissbit X-60m Industrial mSATA SSDs
Swissbit X-60m Industrial mSATA Solid State Drives (SSD) are a robust non-volatile storage solution for embedded computing applications. The X-60m SSDs combine a SATA Gen III controller and Multi-Level Cell (MLC) NAND flash technology. These SSDs offer good performance and endurance with durabit™ technology. The X-60m SSDs feature dynamic and static wear-leveling, page mode Flash Translation Layer (FTL), data care management, and on-board power fail protection. These SSDs are available in capacities from 8GB to 480GB.Features
- Best-in-class performance and endurance with durabit technology
- Dynamic and static wear leveling
- Page mode FTL
- Data care management
- Active adaptive read-refresh
- Passive background media scan
- Lifetime enhancement
- Dynamic bad block remapping
- Write amplification reduction
- Onboard power fail protection
- AHCI, TRIM, and NCQ support
- ATA security feature set support
- DEVSLP compatible
- In-field firmware update
- Enterprise-grade Self-monitoring, Analysis, and Reporting Technology (S.M.A.R.T)
- 30-µinch gold-plated connector (IPC-6012B class 2 compliant)
- Life cycle management
- Controlled "Locked" BOM
- RoHS-6 compliant
- AES256 encryption (on request)
- Swissbit Life Time Monitoring (SBLTM) tool and SDK for SBLTM (on request)
Specifications
- Capacities
- 8GB
- 16GB
- 30GB
- 60GB
- 120GB
- 240GB
- 480GB
- Form factor
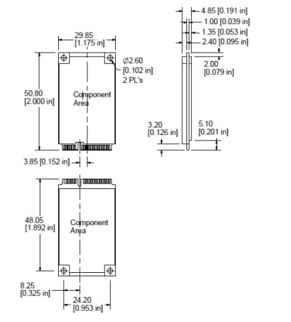
- JEDEC MO-300A sized solid state drive (50.8mm x 29.85mm x 3.5mm)
- 52-pin PCI Express (PCIe) mini-connector (SATA III)
- SATA Rev 3.1 with 3Gb/s and 1.5Gb/s backward compatible compliance
- Support ATA/ATAPI-8 and ACS-2 (2011/06/22)
- Performance
- Up to 600MB/s in SATA III with 6Gb/s burst transfer rate
- Up to 520MB/s sequential read and random read IOPs up to 75000
- Up to 450MB/s sequential write and random write IOPs up to 75000
- Operating temperature range
- 0°C to +70°C commercial
- -40°C to +85°C industrial
- 3.3V±5% operating voltage
- Power (maximum capacity)
- 1.5W read (active)
- 3.2W write (active)
- 380mW idle
- 115mW slumber
- 10 years at life begin and 1 year at life end data retention
- 1500g/20g shock/vibration (MIL-STD810)
- High-performance 32-bit processor with integrated and parallel flash interface engines:
- Multi-Level Cell (MLC) NAND flash
- Hardware BCH code Electronic Commerce Code (ECC) (up to 66-bit correction per 1KB page)
- High reliability
- Two million hours Mean Time Between Failure (MTBF)
- Less than 1 non-recoverable error per 1016-bits read
Functional Block Diagram
Mechanical Drawing
Additional Resources
Learn More About
Publié le: 2019-03-08
| Mis à jour le: 2023-12-29
