STMicroelectronics Doubles pilotes à pont complet évolutifs STSPIN948
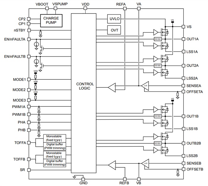
Les pilotes de pont complet double évolutif de STSPIN948 STMicroelectronics sont des dispositifs 4,5 A pour moteurs à balais CC ou moteurs pas à pas bipolaires. L’étage de puissance est conçu avec des performances dynamiques élevées, permettant aux utilisateurs d’obtenir un contrôle MLI haute fréquence avec des cycles de service précis. Chaque pont complet est indépendant avec un limiteur de courant de seuil réglable et un temps d’arrêt avec une sélection de décroissance lente ou mixte. À l’aide d’une résistance shunt externe, deux amplificateurs à facteurs d’amplification fixes fournissent une détection de courant. Une vitesse de balayage réglable garantit le meilleur compromis entre les performances et les EMI. Le circuit de puissance polyvalent offre plusieurs modes d'exploitation pour un niveau élevé de flexibilité. Le STSPIN948 STMicroelectronics fournit un ensemble complet de caractéristiques de protection, notamment la détection de surintensité, de surchauffe et de faible tension de bus.Caractéristiques
- Tension de fonctionnement jusqu’à 58 V
- Courant de sortie maximal jusqu’à 4,5 ARMS
- 5 méthodes de pilotage avec mode parallèle à pont complet et double
- RDS(ON) HS + LS = 0,36 Ω standard
- Vitesse de balayage MOS de puissance réglable
- Amplificateurs intégrés avec 2 techniques de contrôle du courant intégré différentes
- Temps d’arrêt réglable avec décroissance lente ou mixte
- Veille à faible consommation
- Protections
- UVLO
- Protection contre les surintensités
- Coupure thermique
Applications
- Éclairage de scène
- Automatisation d'usine
- DAB et machines de manipulation d'argent
- Machines textiles
- Appareils ménagers
- Robotique
- Commande d’Antenne
- Distributeurs automatiques
Caractéristiques techniques
- Plage 2,8 V de tension d’alimentation logique de contrôle à 3,6 V
- Plage 5,2 V de tension d’alimentation de l’étage de puissance à 58 V
- Gradient de tension d’alimentation maximal 0,5 V/° s
- Tension de suralimentation d’amorçage standard 3 V
- Plage -0,6 V de tension source côté bas à +1 V
- Plage 0 V d’entrée logique à 5 V
- Courant de sortie CC maximal jusqu’à 4,5 ARMS
- Courant de dissipation de sorties à drain ouvert maximal jusqu’à 8 mA
- Plage de résistance à réglage du temps de limitation de courant 10 kΩ à 120 kΩ
- Plage 0,1 nF de condensateurs à réglage du temps de limitation de courant à 5,6 nF
- Largeur d’impulsion PWM minimale 280 ns
- Temps de charge du condensateur de pompe de charge standard 170µs
- Plage de fréquence de commutation 0 kHz à 500 kHz
- condensateur d’amorçage standard 1µF
- condensateur de pompe de charge standard 100 nF
- Plages de température
- Température ambiante : -40 °C à +85 °C
- Jonction de -40 °C à +150 °C
Schéma fonctionnel
Vidéos
Publié le: 2023-07-24
| Mis à jour le: 2025-12-18
