STMicroelectronics Contrôleur numérique double 8 phases STPM098C

Le contrôleur numérique double 8 phases STPM098C   STMicroelectronics est un contrôleur abaisseur multiphasé numérique à double boucle avec mémoire non volatile (NVM) intégrée et interface PmBus™ pour les applications automobiles. Le STPM098C est utilisé pour gérer la puissance des charges nécessitant une haute puissance, telles que les cœurs de processeur et les mémoires. Il contrôle jusqu’à huit pilotes externes +MOS et, avec ses deux boucles, permet d’alimenter  jusqu’à deux tensions différentes. Une architecture de boucle de contrôle avancée basée sur le schéma à temps actif constant (COT) fournit des réponses transitoires et de haute efficacité rapides. Le dispositif comprend également un entrelacs de phases et un ajout/retrait dynamique de phase pour améliorer l’efficacité des plages de charge légère.

Le STPM098C de STMicroelectronics prend en charge une communication PmBus conforme ver.1.2 avec huit valeurs d’adresse d’interface possibles pour signaler la télémétrie de tension, de courant, de puissance, de température et de signalisation de défaut. Les paramètres programmables peuvent être configurés via l’interface PmBus et stockés dans une NVM sur puce, minimisant ainsi les composants externes. STPM098C fournit en outre un système d’unité de surveillance étendu et une protection contre les défauts y compris une sous-tension/surtension indépendante (UV/OV) sur la tension de sortie, une déconnexion de rétroaction de boucle, un déséquilibre du courant de phase et une surintensité à double seuil pour les courants de phase positifs et négatifs.

Caractéristiques

  • Protection et diagnostic :
    • Télémétrie d’entrée lisible par PMBus™ (tension, courant, puissance)
    • Surintensité, sous-tension et surpuissance configurables par PmBus, diagnostics et protection sur les paramètres d’entrée
    • Télémétrie de sortie lisible PMBus (tension, courant, température) pour chaque boucle
    • Diagnostics et protection configurables PMBus de sous/surintensité, de sous/surtension sur les paramètres de sortie pour chaque boucle
    • Diagnostics et protection configurables PMBus d’alerte thermique et d’arrêt thermique sur l’étage de sortie pour chaque boucle
    • Télémétrie de courant monophasé lisible PMBus
    • Diagnostic et protection contre les surintensités monophasées configurables PMBus
    • Diagnostic UV/OV polyvalent configurable PMBus via la broche AUX_SENSE
    • Diagnostic de la déconnexion de la boucle de rétroaction
    • Diagnostic et protection contre la surchauffe interne
    • Mesure de la température Tj lisible via PmBus
    • Diagnostic de perte de mise à la terre
    • Surveillance d'horloge système
    • Diagnostics de surtension et de sous-tension des broches d’alimentation électrique VCC, VREF1, VREF2
    • Sortie du drapeau d’état de défaut via les PINS SM_ALERT, FAULT, VRRDY1 et VRRDY2
  • Qualification AEC-Q100
  • Affectation de phase entre deux boucles : 8+0 à 4+4
  • Plage de tensions de sortie de 0,5 V à 2 V
  • Plage de tension d’exploitation de 4,75 V à 5,25 V
  • Plage de fréquence de commutation de 200 kHz à 1,5 MHz
  • Exploitation de déphasage dynamique programmable pour les charges légères et émulation de diode active pour les charges très légères
  • Boucle de contrôle numérique haute performance
  • ARM UCT / CPU Intégré Cortex™ M0+ à 40 MHz
  • NVM Intégré
  • PMBus™ version 1.2 (fréquence maximum de 400 kHz)
  • Plage de température de fonctionnement de -40 °C à +125 °C
  • Plage de température de jonction de -40 °C à +150 °C
  • Entièrement conforme à la norme ISO26262, systèmes ASIL-D prêts à l’emploi
  • Boîtier VFQFN 48+4L de 7,0 mm x 7,0 mm  x 0,9 mm

Applications

  • Système d’aide à la conduite (ADAS)
  • Microprocesseurs haute puissance
  • Mémoires DDR

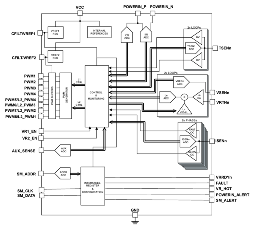
Schéma fonctionnel simplifié

Schéma de principe - STMicroelectronics Contrôleur numérique double 8 phases STPM098C

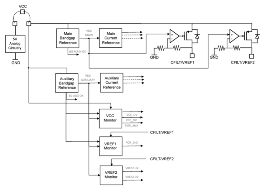
Schéma fonctionnel simplifié de l’alimentation électrique interne

Schéma de principe - STMicroelectronics Contrôleur numérique double 8 phases STPM098C

L’alimentation électrique VCC est l’entrée d’alimentation principale du STPM098C. Le rail VCC démarre les séquences de mise sous tension et de mise hors tension en alimentant les circuits internes ultérieurs (c’est-à-dire les écarts de bande, les unités de surveillance et les boucles de contrôle des régulateurs internes). À partir de la broche VCC, les structures de référence sont répliquées en deux instances indépendantes afin d’éviter les pannes de cause commune (une principale et une auxiliaire).

Schéma fonctionnel simplifié du régulateur VREF1

STMicroelectronics Contrôleur numérique double 8 phases STPM098C

Le rail d’alimentation interne du noyau numérique du STPM098C est généré par un régulateur LDO à courant limité avec une sortie PMOS et une capacité de réservoir externe alimentée par la broche VCC. De plus, le régulateur VREF1 est conçu comme tension de référence pour jusqu’à huit sorties analogiques de mesure de courant DrMOS externes.

Schéma fonctionnel simplifié du régulateur VREF2

Schéma de principe - STMicroelectronics Contrôleur numérique double 8 phases STPM098C

Le rail d’alimentation interne pour le tampon de sortie MLI est généré par un régulateur LDO à courant limité avec une étape de sortie PMOS et une capacité de réservoir externe alimentée par la broche VCC. Le régulateur VREF2 est destiné à servir de tension d’alimentation pour les résistances de mise à niveau externes (4,7 kΩ) des PINS PMBus SM_DATA, SM_CLK et SM_ALERT.

Publié le: 2024-11-26 | Mis à jour le: 2025-01-08