STMicroelectronics Triples commandes de grilles demi-pont STDRIVE102BH/H
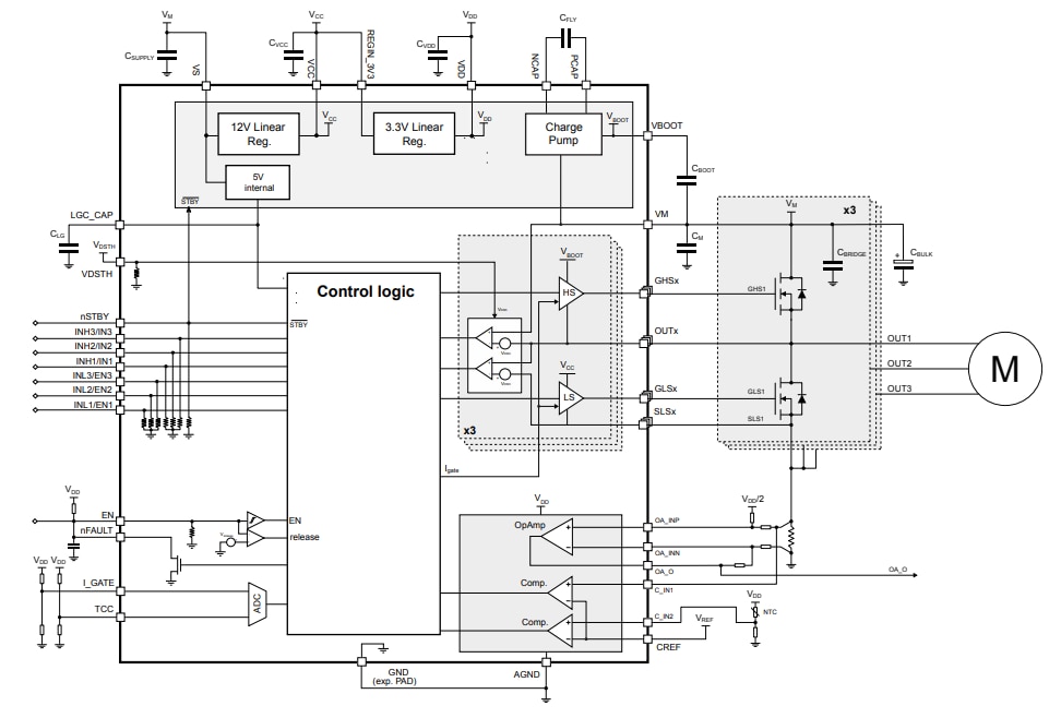
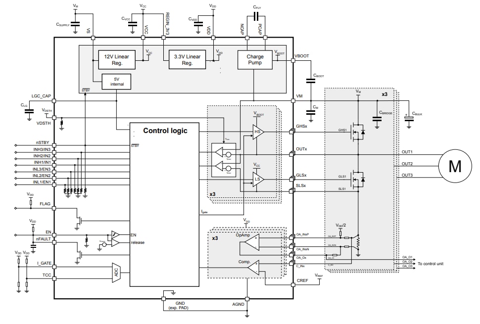
Les triples commandes de grilles demi-pont STDRIVE102BH/H de STMicroelectronics sont conçues pour la commande de moteurs brushless triphasés. En raison de son mode veille très efficace, qui réduit fortement la consommation de courant lorsque le dispositif n'est pas actif, le STDRIVE102BH/H est une solution idéale pour les applications de commande de moteur alimentées par batterie, telles que les outils électriques, les aspirateurs et les petits appareils.Le STDRIVE102BH/H intègre des protections, ce qui renforce la robustesse globale de l'application. Les protections incluent le verrouillage en cas de tension insuffisante (UVLO) sur chaque alimentation (VCC, VDD et tension de la pompe de charge), l’arrêt thermique et la surveillance de VDS sur les MOSFET de puissance côté haut et côté bas. Si une protection est déclenchée, la broche à drain ouvert nFAULT signale l'événement. Le STDRIVE102BH de STMicro possède une autre broche à drain ouvert dédiée (FLAG), indiquant si l'alimentation du pilote de grille VCC tombe en dessous de la limite de garde. Le dispositif intègre une exploitation à arrêt intelligent qui permet la coupure immédiate des sorties du pilote de grille en cas de défaut, en minimisant le retard de propagation entre l'événement de détection du défaut et la coupure effective de la sortie.
En plus de la broche d'alimentation principale (VS), le STDRIVE102BH/H possède une broche dédiée VM, qui doit être connectée à la tension d'alimentation du moteur en correspondance avec les drains des MOSFET à canal N côté haut. La broche VM est utilisée pour la surveillance intégrée VDS et comme tension de référence pour la pompe de charge. Les broches VS et VM peuvent fonctionner à des tensions différentes pour augmenter la flexibilité du dispositif.
Caractéristiques
- Tension d'exploitation de 6 V à 50 V
- Commandes de grilles avec capacité de courant programmable jusqu'à :
- Courant de source de 1 A
- Courant de puits de 2 A
- Haute robustesse contre les dépassements et les sous-tensions
- Pompe de charge pour une exploitation à rapport cyclique de 100 % avec protection de verrouillage de sous-tension dédiée
- Gestion de l'alimentation flexible :
- Régulateur linéaire LDO 12 V avec protection de verrouillage de sous-tension dédiée
- Régulateur linéaire LDO 3,3 V avec protection de verrouillage de sous-tension dédiée
- Mode veille pour une faible consommation inférieure à 50 nA
- Protection contre coupure thermique
- Surveillance de la tension VDS pour une exploitation sécurisée des MOSFET de puissance
- Frontal analogique flexible :
- Jusqu'à trois amplificateurs opérationnels à large bande passante
- Jusqu'à trois comparateurs à haute vitesse
- Deux modes de contrôle :
- ENx/INx
- INHx/INLX avec verrouillage
- Retard de propagation homogène pour tous les canaux
- Entrées logiques jusqu'à 5 V, compatibles TTL
Applications
- Outils alimentés par batterie
- Aspirateurs portables
- Vélos électriques
- Automatisation industrielle
- Robotique
- Pompes et ventilateurs
Additional Resources
Schéma fonctionnel STDRIVE102BH
Schéma fonctionnel STDRIVE102H
