STMicroelectronics Pré-pilotes demi-pont automobiles L99H92
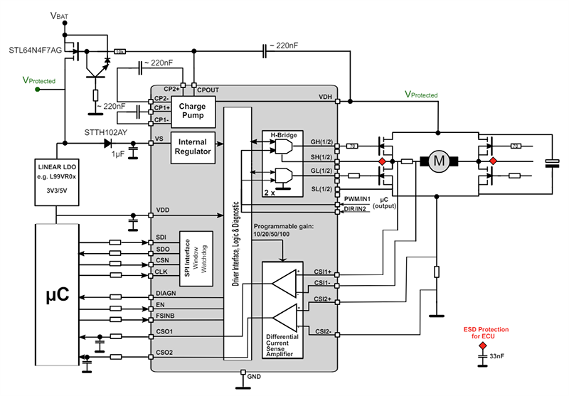
Les pré-pilotes demi-pont automobiles L99H92 de STMicroelectronics pilotent quatre transistors MOSFET à canal N externes en configuration à simple pont en H ou double demi-pont indépendant pour le contrôle de moteur CC dans les applications automobiles. Deux amplificateurs de détection de courant configurables gratuits sont également intégrés. En mode basse consommation (mode veille), la consommation de courant est inférieure à 5µA. Le courant de pilotage de grille programmable permet de minimiser les EMI. Chaque pilote de grille surveille (indépendamment) sa tension drain-source MOSFET externe pour détecter les défaillances. Le temps de protection contre les courants croisés programmable évite les concurrences d’activation côté haut et bas pour chaque demi-pont.Le L99H92 de STMicroelectronics dispose de deux comparateurs de diagnostic à l’état bloqué qui détectent des conditions potentielles de court-circuit à la terre, de court-circuit à la batterie ou de charge ouverte. L'interface périphérique série (SPI) standard intégrée contrôle le composant et fournit des informations de diagnostic. Une broche de sortie DIAGN supplémentaire alerte les microcontrôleurs d’une défaillance survenant dans le composant plus rapidement que la communication SPI. Le composant L99H92 met en œuvre des caractéristiques de diagnostic et de protection telles que la surveillance de la tension d’alimentation, la surveillance de la tension de la pompe de charge, la protection contre les surintensités, l’avertissement de température et l’arrêt de surchauffe. Ces composants sont hébergés dans un boîtier TQFP32 et QFN32, tous deux avec des pastilles exposées. Le QFN32 dispose de flancs mouillables pour une inspection visuelle facile du joint de brasage.
Caractéristiques
- Homologué AEC-Q100
- Plage d’alimentation de fonctionnement de 4,51 V à 28 V (pilotes de grille fonctionnant à partir de 5,41 V)
- E/S compatibles 3,3 V/5 V
- Toutes les broches liées au microcontrôleur, à l’entrée de sécurité et au VDD sont rendues tolérantes à l’exposition de la batterie
- Double pilote à demi-pont compatible avec les NMOSFET à seuil de niveau standard
- Contrôle à demi-pont complet ou double indépendant configurable, chemin de recirculation programmable en cas de commande à pont complet
- Pompe de charge à deux étages prenant en charge le cycle de service MLI 100 % jusqu’à la tension de batterie 5,41 V
- Côté haut et côté bas minimum VGS= 6,2V à VDH = 5,5 V et courant de charge de la pompe de charge (ICPLOAD) égal à 5 mA
- Côté haut et côté bas minimum VGS= 8,2V à VDH ≥ 8 V et courant de charge de la pompe de charge (ICPLOAD) égal à 10 mA
- Sortie de pompe de charge disponible pour piloter une protection NMOSFET inverse de batterie externe
- Courant de commande de grille programmable (jusqu’à 170 mA) pour le contrôle de la vitesse de balayage de la tension de sortie
- Surveillance drain-source programmable pour la protection contre les surintensités et temps de protection contre les courants croisés programmable (temps mort)
- Détection de court-circuit de charge ouverte et de sortie en mode de diagnostic à l’état bloqué
- SPI pour contrôle et diagnostic (ST SPI 4.1)
- Sortie de diagnostic programmable
- 2 amplificateurs de détection de courant indépendants
- Faible décalage avec dérive thermique extrêmement faible
- Adapté à la détection de courant côté haut, en ligne et côté bas
- Gain programmable indépendamment (10x, 20x, 50x, 100x)
- Sortie analogique centrée sur VDD/2 ou VDD/22
- Pré-avertissement de surchauffe et arrêt
- Protections contre les surtensions/sous-tensions d’entrée analogiques et numériques
- Entrée de sécurité asynchrone et indépendante de la logique pour éteindre tous les MOSFET
- Faible courant de repos
- Prise en charge des défaillances matérielles aléatoires jusqu’à ASIL B
- Options de boîtier QFN32 (avec flancs mouillables) ou TQFP32 (7 mm x 7 mm)
- Dispositif conforme à la directive RoHS
Applications
- Toits ouvrants
- Portes élévatrices de coffre électrique
- Portes coulissantes
- Lève-vitres, pré-tendeurs de ceinture de sécurité, etc.
Schéma fonctionnel
Schéma d’application
