STMicroelectronics Module de puissance ACEPACK 2
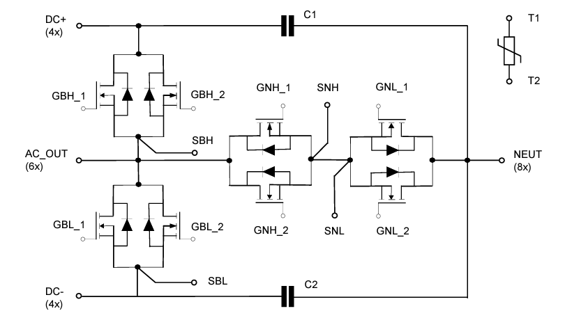
Le module de puissance ACEPACK 2 de STMicroelectronics offre une topologie à 3 niveaux avec NTC et capacité. Ce composant est basé sur la technologie de troisième génération au carbure de silicium. La solution modulaire STmicro atteint des topologies complexes avec des exigences de densité de puissance et de rendement élevées dans les applications de convertisseurs CC-CC.Caractéristiques
- NH et NL à 750 V, 6 mΩ de RDS(on) standard pour chaque interrupteur
- BH et BL à 1 200 V, 9,5 mΩ de RDS(on) standard pour chaque interrupteur
- Isolement à 3 kVefficaces
- Capteur de température NTC intégré
- Condensateurs de liaison CC entre les bus CC et
- performances thermiques neutres améliorées AIN DBC
- Broches de contact à insertion par pression
Caractéristiques techniques
- Tension de claquage drain-source 750 V
- Tension grille-source de -10 V à 22 V
- Tension grille-source de -5 V à 18 V, valeurs de fonctionnement recommandées
- Courant de drain de 180 A (permanent) à TH = 25 °C
- Courant de drain de crête répétitif 360 A
- Plage de température de jonction de fonctionnement de -55 °C à 150 °C
Topologie électrique et description des broches
Publié le: 2024-08-22
| Mis à jour le: 2024-09-20
