STMicroelectronics Modules double bande GNSS minuscules Teseo-LIV4F
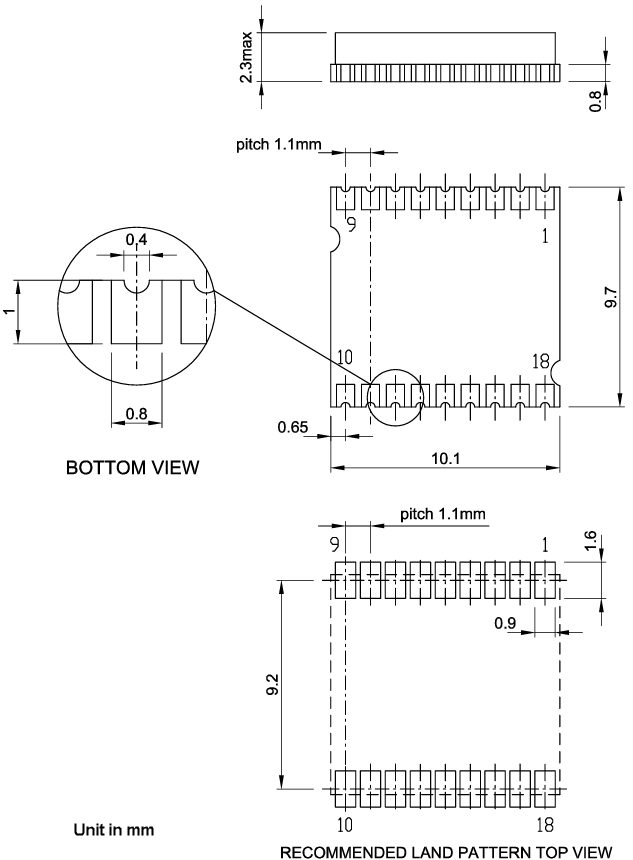
Les modules double bande miniatures GNSS Teseo-LIV4F de STMicroelectronics sont des modules basse consommation autonomes à système mondial de navigation par satellite (GNSS, Global Navigation Satellite System) faciles à utiliser. Ces modules intègrent un CI récepteur de positionnement autonome mono-puce Teseo IV qui fonctionne simultanément sur plusieurs constellations (GPS/Galileo/Glonass/BeiDou/QZSS). Les modules Teseo-LIV4F offrent un oscillateur à quartz compensé en température (TCXO) embarqué, un temps d'acquisition (TTFF) et un oscillateur d'horloge temps réel (RTC) dédié. Ces modules Teseo-LIV4F sont fournis dans un boîtier compact de 9,7 mm x 10,1 mm. Les applications typiques comprennent l'assurance, le suivi des marchandises, les drones, les péages, les systèmes anti-vol, la localisation de personnes et d'animaux domestiques, le suivi des véhicules, les appels d'urgence, la gestion de flotte, les diagnostics et les transports publics.Caractéristiques
- GNSS multi-constellations et multi-bandes simultanées (GPS/Galileo/Glonass/ BeiDou/QZSS)
- Compatible avec la constellation IRNSS
- Sensibilité de suivi -162 dBm
- Précision du positionnement inférieure au mètre
- Mémoire flash intégrée
- Mise à niveau du micrologiciel
- Configuration gratuite du micrologiciel
- Plage de tension d'alimentation VCC/VBAT de 3 V à 3,63 V
- Minuscule boîtier LCC 18 broches 9,7 mm x 10,1 mm
- Plage de températures de fonctionnement : de -40 °C à +85 °C
- Consommation de courant en veille de 10 μA et consommation de courant de suivi GNSS L1 et L5 48,8 mA
Applications
- Boîtes noires d’assurance
- Suivi des marchandises
- Drones
- Péage
- Systèmes anti-vol
- Localisation de personnes et d'animaux domestiques
- Suivi des véhicules
- Appels d'urgence
- Gestion de flotte
- Partage de véhicules
- Diagnostics
- Transport public
Schéma fonctionnel du module
Schéma des dimensions
Vidéos
Publié le: 2023-05-09
| Mis à jour le: 2024-05-15
