STMicroelectronics STSPIN830 Motor Driver
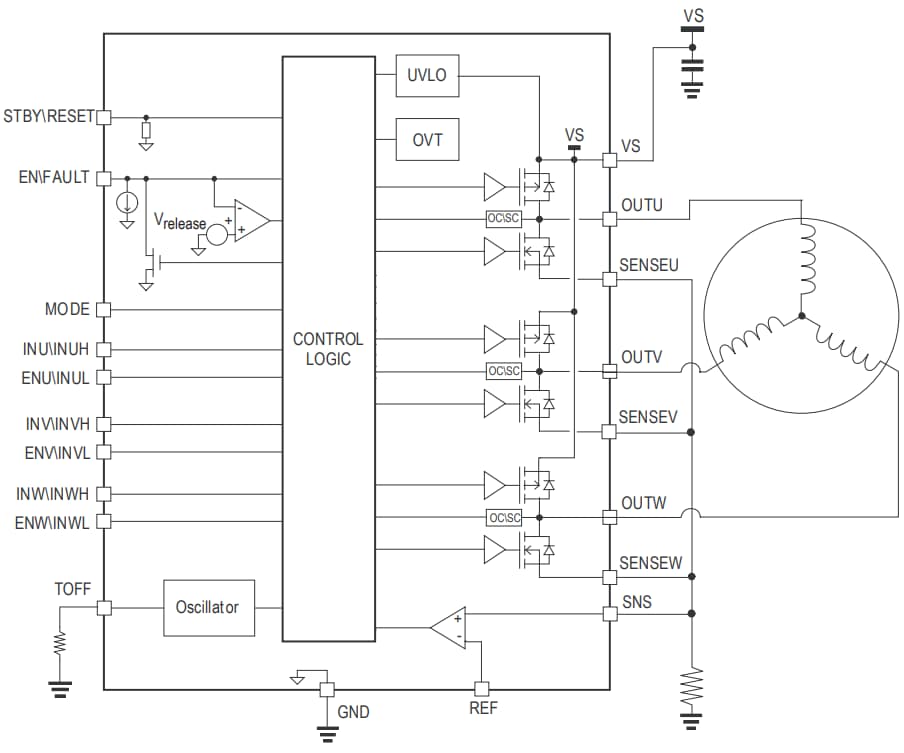
STMicroelectronics STSPIN830 Motor Driver is a compact, versatile, field-oriented-control, FOC-ready, three-phase motor driver. The STSPIN830 is housed in a 4mm x 4mm QFN package with control logic and a fully protected low RDS(ON) triple half-bridge power stage. The driver features a dedicated MODE input pin for the freedom to decide whether to drive it through 6 inputs (one for each power switch) or a more common 3PWM direct driving inputs. The STSPIN830 supports single and three shunts architectures and embeds a PWM current controller based on user settable values of reference voltage and OFF time.Features
- Operating voltage from 7V to 45V
- Maximum output current 1.5Arms
- RDSon HS + LS = 1Ω typ.
- Supporting both single and three shunts architectures
- Current control with adjustable OFF time
- Current sensing based on external shunt resistors
- Flexible driving methodology user settable between 6 inputs (high side and low side driving) and 3 inputs (direct PWM driving)
- FOC compatible thanks to three shunts sensing topology support
- Full protections set
- Non-dissipative overcurrent protection
- Short-circuit protection
- Undervoltage lockout
- Thermal shutdown
- Interlocking function
- Low standby current consumption
Applications
- Industrial robotics
- Medical and health care
- Factory automation end-points
- Home appliances
- Small pumps
- Server, computing, and general purpose FANs
- Office and home automation
STSPIN830 block diagram
Publié le: 2018-07-11
| Mis à jour le: 2023-02-12
