STMicroelectronics Contrôleurs BLDC triphasés 250 V STSPIN32G025x

Les contrôleurs BLDC triphasés 250 V STSPIN32G025x de STMicroelectronics sont une solution intégrée pour piloter des applications triphasées.   Le STSPIN32G025x de STMicroelectronics dispose d’un microcontrôleur STM32G031x8x3 intégré et d’un triple pilote de grille à demi-pont de 250 V. Les contrôleurs prennent en charge les MOSFET de puissance à canal N ou les IGBT. Le composant comprend un comparateur smartSD pour une protection rapide et efficace contre les surcharges et les surintensités. Les caractéristiques intégrées comprennent des diodes d’amorçage haute tension, une anti-conduction croisée, un temps mort, une protection UVLO sur les deux sections de pilotage et des délais assortis pour les cycles sans distorsion.

Caractéristiques

  • Pilotes de grille triphasés
    • Rail haute tension jusqu'à 250 V
    • Immunité transitoire dV/dt de ±50 V/ns
    • Plages de tension de pilote de grille de 9 V à 20 V
  • Capacité de courant du pilote
    • Courant source/dissipateur de 200/350 mA à +25 °C (STSPIN32G0251)
    • Courant source/dissipateur de 1,00/0,85 A à +25 °C (STSPIN32G0252)
  • Cœur de microcontrôleur Arm® Cortex®-M0+ 32 bits
    • Fréquence d’horloge atteignant 64 MHz
    • SRAM de 8 ko avec contrôle de parité matérielle
    • Mémoire flash de 64 ko avec protection et zone sécurisée
    • Unité de calcul CRC
  • Jusqu’à 32 ports E/S à usage général (GPIO)
  • 1 minuteur avancé pour la commande de moteur, 16 bits avec jusqu’à 6 canaux PWM
  • 5 minuteurs à usage général (1 minuteurs 32 bits)
  • 2 minuteurs à faible puissance
  • Convertisseur CAN 12 bits (jusqu’à 15 canaux) avec taux de conversion de 2 MS/s
  • Contrôleur DMA à 5 canaux avec cartographie flexible
  • Référence de tension interne de haute précision
  • Jeu complet d’interfaces : 2 I2C, 2 SPI, 3 UART et 1 UART faible puissance
  • Retard de propagation homogène pour tous les canaux
  • Diodes d'amorçage intégrées
  • Comparateur pour une protection rapide contre les surintensités
  • Fonctions UVLO, verrouillage et temps mort
  • Fonction d’arrêt intelligent (smartSD)
  • Mode veille pour une faible consommation d’énergie
  • Prise en charge du débogage sur puce via SWD
  • Plage de température étendue de -40 °C à +125 °C
  • Boîtier QFN 72L de 10 mm x 10 mm, pas de 0,5 mm, ligne de fuite de 1,8 mm

Applications

  • Pilotes de moteurs triphasés
  • Convertisseurs
  • Appareils industriels et ventilateurs

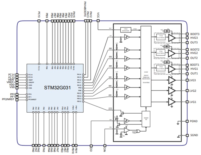
Schéma fonctionnel

Schéma de principe - STMicroelectronics Contrôleurs BLDC triphasés 250 V STSPIN32G025x
Publié le: 2024-02-28 | Mis à jour le: 2024-03-15