STMicroelectronics STPA008 MOSFET Quad Bridge Power Amplifier
STMicroelectronics STPA008 MOSFET Quad Bridge Power Amplifier is a breakthrough class AB audio power amplifier designed for high-power car radio. The fully complementary P-Channel/N-Channel output structure allows a rail-to-rail output voltage swing. STMicroelectronics STPA008 MOSFET Quad Bridge Power Amplifier combines a high-output current and minimized saturation losses. This sets new power references in the car-radio field with unparalleled distortion performances.The STPA008 can operate down to 6V making the IC compliant to the most recent OEM specifications for low voltage operation (so called "start-stop" battery profile during engine stop). This helps car manufacturers reduce the overall emissions, contributing to environment protection.
Features
- High output power capability
- 4x50W/4Ω Max.
- 4x28W/4Ω @ 14.4V, 1kHz, 10%
- 4x72W/2Ω Max.
- MOSFET output power stage
- 2Ω driving capability
- Operates down to 6V (suitable for start-stop car operation)
- Excellent GSM noise immunity
- Hi-Fi class distortion
- Low output noise
- High immunity to RF noise injection
- Standby function
- Mute function
- Automute at minimum supply voltage detection
- Low external component count
- Internally fixed gain (26dB)
- Protections
- Output short circuit to GND, to Vs, across the load
- Very inductive loads
- Overrating chip temperature with soft thermal limiter
- Output DC offset detection
- Load dump
- Fortuitous open GND
- Reversed battery
- Electrostatic discharge
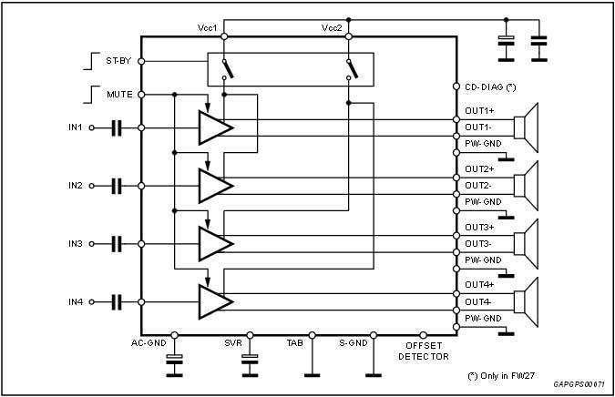
Functional Block Diagram
Publié le: 2015-05-20
| Mis à jour le: 2022-03-11
