STMicroelectronics Commandes de grilles isolées STGAP4S
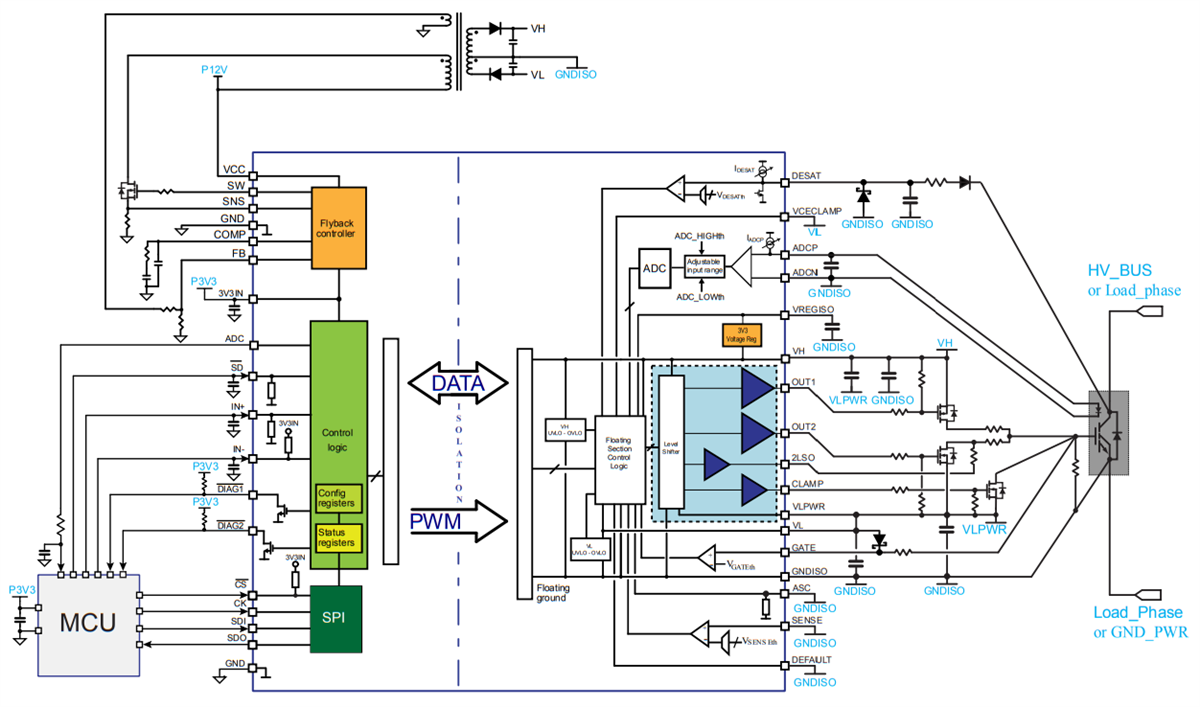
Les commandes de grilles isolées STGAP4S de STMicroelectronics sont descommandes de grilles uniques galvaniquement isolées pour les IGBT et SiC MOSFET avec des fonctionnalités de diagnostic, de configuration et de protection avancés. Ces pilotes d'architecture isolent la commande de la grille du canal du contrôle et de la circuiterie d'interface basse tension grâce à une isolation galvanique réelle. Les pilotes STGAP4S intègrent un capteur de température et un contrôleur pour une alimentation électrique Flyback isolée qui génère des tensions d'alimentation de commande de grille positives et négatives. Les sorties de diagnostic drain ouvert sont présentes et les conditions détaillées du dispositif peuvent être surveillées via le SPI. Chaque paramètre de fonction peut être programmé via le SPI, ce qui rend le dispositif très flexible et lui permet de s'adapter à une large gamme d'applications. Les commandes de grilles STGAP4S sont utilisées dans les convertisseurs pour véhicules électriques (VE), les convertisseurs industriels, les stations de chargement EV, les équipements ASI, les convertisseurs solaire, les convertisseurs CA/CA et lesconvertisseurs CC/CC.Caractéristiques
- Homologué AEC-Q100
- Rail à haute tension jusqu'à 1 200 V
- Deux broches de sortie pour piloter directement le tampon MOSFET externe
- Capacité de courant d’entraînement :
- OUT1 : dissipation/source 0,6/2,5 A
- OUT2 : dissipation/source 2,4/0,6A
- Capacité d'entrainement négatif de grille
- Immunité transitoire dV/dt de ±100 V/ns sur la plage de température complète
- Contrôleur intégré pour alimentation Flyback isolée
- Pilote à pince Miller actif pour MOSFET à canal N externe
- Détection de désaturation programmable
- Détection de surintensité programmable
- Verrouillage de sous-tension programmable (UVLO) et verrouillage de surtension (OVLO) sur chaque alimentation
- Filtre programmable contre les parasites en entrée
- Arrêt progressif
- Pince active VCE
- Deux sorties d’état de diagnostic
- Commande d'arrêt asynchrone
- Convertisseur A/N 8 bits isolé
- Capteur de température intégré
- Temps mort programmable avec erreur de violation
- Interface SPI pour la programmation des paramètres et le diagnostic étendu
- Avertissement de surchauffe et protection d'arrêt
- Routines d'auto-diagnostic avec fonctionnalités de protection
Applications
- Onduleurs pour EV/EVH
- Onduleurs industriels 600/1200 V
- Stations de recharge de véhicules électriques
- Équipements onduleurs (UPS)
- Convertisseurs CA/CA
- Convertisseurs CC/CC
- Inverseurs solaires
Schéma fonctionnel
Circuit d'application standard
Ressources supplémentaires
Vidéos
Publié le: 2024-03-15
| Mis à jour le: 2025-08-12
