STMicroelectronics Limiteur de courant d'appel STEVAL-SCR002V1
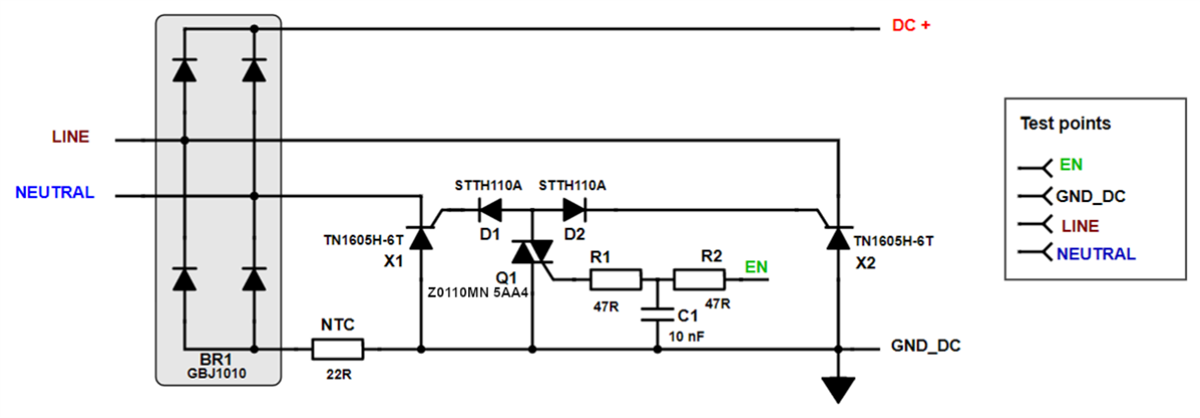
Le limiteur de courant d’appel STEVAL-SCR002V1 de STMicroelectronics est un circuit frontal CA-CC simple et innovant. Le circuit permet au concepteur d'effectuer une limitation de courant d'appel dans n'importe quel convertisseur avec des topologies de pont redresseur d'entrée. Le STEVAL-SCR002V1 est basé sur un circuit de contrôle discret composé d'un triac CMS Z0110MN et de deux diodes STTH110A. Il offre un pilote haute tension compact et non isolé pour le SCR secteur.Caractéristiques
- Deux SCR Hi-Tj TN1605H-6T 16 A- 600 V dans un boîtier TO-220, utilisés pour contourner la résistance d’appel
- Solution compacte : 43,6 mm x 28,5 mm (≈ 1.8 po²)
- Compatible avec les convertisseurs CA-CC avec ou sans PFC dans tous les modes : CCM, CRM et DCM
- Signal d’activation (EN = 3,3 V à 15 V) par rapport à GND_CC (signal CC ou PWM)
- Adapté aux applications de 50 W à 1000 W (230 VRMS, TAMB = 60 °C)
- Conforme à la tension d’entrée CA ou CC : 90-265VAC, 50/60Hz ou 120-400VDC
- Robuste, immunisé (2 kV CEI 61000-4-5, 4 kV CEI 61000-4-4)
- Solution à faible bruit EMI (EN55014 et EN55022)
Schéma de circuit
Vidéos
Publié le: 2022-07-21
| Mis à jour le: 2023-09-11
