STMicroelectronics Carte adaptateur LPS22DF STEVAL-MKI224V1
La carte adaptateur LPS22DF STEVAL-MKI224V1 de STMicroelectronics est configurée pour évaluer le fonctionnement des dispositifs MEMS LPS22DF. La carte adaptateur STEVAL-MKI224V1 est conçue pour fournir une solution efficace pour le prototypage système rapide et l'évaluation de composants directement dans l'application d'un utilisateur.La carte adaptateur LPS22DF STEVAL-MKI224V1 STM se branche dans un socket DIL24 standard et fournit un brochage LPS22DF complet. La carte est prête à l’emploi avec les condensateurs de découplage requis sur la ligne d’alimentation VDD.
Cet adaptateur est pris en charge par les cartes mères STEVAL-MKI109V3 qui comprennent un microcontrôleur 32 bits haute performance, fonctionnant comme un pont entre le capteur et un PC. Les utilisateurs peuvent choisir l'interface utilisateur graphique (Unico-GUI) à télécharger ou des routines logicielles dédiées pour des applications sur mesure. Idéalement, la carte adaptateur STEVAL-MKI224V1 se connecte à une carte d'extension X-NUCLEO-IKS01A3 utilisant Unicleo-GUI.
Caractéristiques
- Brochage LPS22DF complet pour socket DIL24 standard
- Totalement compatible avec les cartes mères STEVAL-MKI109V3
- Conforme à la directive RoHS
Présentation
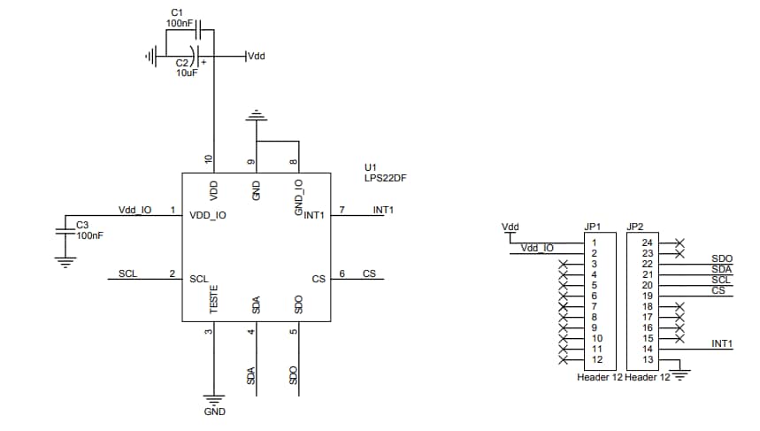
Schéma de circuit
Publié le: 2022-03-11
| Mis à jour le: 2024-04-26
