STMicroelectronics Carte adaptateur STEVAL-MKI219V1
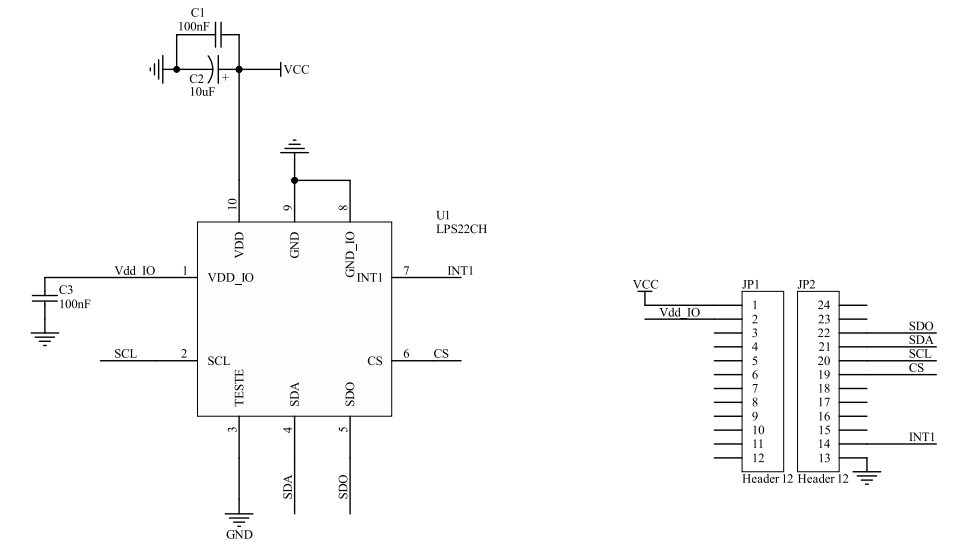
La carte adaptateur STEVAL-MKI219V1 de STMicroelectronics est une plateforme de démonstration et de développement pour le capteur de nano pression MEMS hautes performances LPS22CH. La carte adaptateur STEVAL-MKI219V1 fournit une solution efficace pour le prototypage système rapide et l'évaluation de composants directement dans l'application d'un utilisateur. Le STEVAL-MKI219V1 se branche directement dans un socket DIL 24 standard.La carte adaptateur STEVAL-MKI219V1STM dispose du brochage LPS22CH complet. Elle est fournie prête à l'emploi avec les condensateurs de découplage requis sur la ligne d'alimentation VCC.
La carte-mère STEVAL-MKI109V3 prend en charge la carte adaptateur avec un microcontrôleur 32 bits hautes performances qui fonctionne comme un pont entre le capteur et un PC. Une interface utilisateur graphique (UnicoGUI) téléchargeable ou des routines logicielles dédiées sont disponibles pour des applications personnalisées à partir du PC.
Caractéristiques
- Brochage LPS22CH complet pour socket DIL 24 standard
- Totalement compatible avec la carte-mère STEVAL-MKI109V3
- Conforme à la directive RoHS
Schéma de Circuit
Publié le: 2021-02-26
| Mis à jour le: 2022-04-19
