STMicroelectronics Carte fille STEVAL-MIC003V1
La carte fille STEVAL-MIC003V1 de STMicroelectronics est conçue pour être utilisée en conjonction avec la carte d'extension X-NUCLEO-CCA02M1. Cette carte fille dispose de 4 microphones MEMS numériques à port supérieur IMP34DT05 et d'une sortie PDM à bit unique. La carte fille STEVAL-MIC003V1 comprend une sensibilité omnidirectionnelle et un point de surcharge acoustique de 122,5 dBSPL. Cette carte fille fonctionne sur une plage de tension d'alimentation de 1,6 V à 3,2 V.Caractéristiques
- Sortie PDM simple bit
- Conforme à la directive RoHS
- Carte fille à utiliser avec le X-NUCLEO-CCA02M1
- Sensibilité omnidirectionnelle
- 4 microphone MEMS numérique à port supérieur IMP34DT05
Caractéristiques techniques
- Plage de tensions d’alimentation de 1,6 à 3,6 V
- Rapport signal/bruit de 64 dB
- Point de surcharge acoustique 122,5 dBSPL
- Sensibilité -26 bBFS ±3 dB
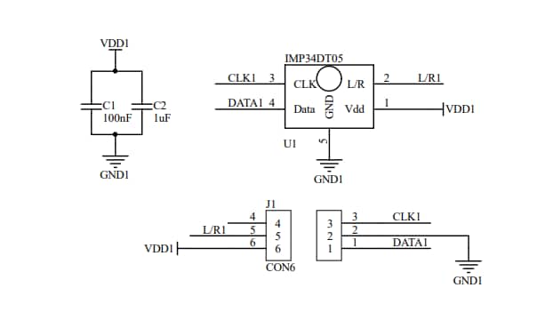
Schéma de circuit
Publié le: 2020-08-26
| Mis à jour le: 2025-01-13
