STMicroelectronics Carte d'évaluation de commande de moteur universel STEVAL-IHM029V2
La carte d'évaluation de commande de moteur universel STEVAL-IHM029V2 de STMicroelectronics est conçue pour le marché de l'électroménager, et plus particulièrement les aspirateurs, les robots ménagers et les outils électriques. Ce système dispose du microcontrôleur 8 bits, 20 broches, cadencé à 16 MHz (horloge interne RC ajustable par l'utilisateur). Il comprend également 4 Ko de mémoire flash, un convertisseur A/N 10 bits, des minuteries 8/16 bits, et des interfaces de communication E2PROM de 640 octets. Le circuit d'alimentation comporte le VIPer16L. C'est un convertisseur autonome avec une robuste section de puissance de 800 V à avalanche, fonctionnant à 60 kHz.Caractéristiques
- 90VAC to 265VAC, 50Hz/60Hz input voltage range
- 12VDC/5VDC auxiliary power supply based on the VIPer16L in buck converter topology
- Total power consumption below 300mW in standby mode
- Maximum output power: 1500W
- 20-pin, 8-bit STM8S103F2 MCU as main controller
- Employs zero-voltage switching (ZVS) to synchronize MCU events with the voltage mains
- Motor driven by T1235T Triac in phase-angle control
- 5 power levels and standby mode selectable by potentiometer
- 5 LEDs to display the power level of the board
- "RUN" LED to indicate the board is functioning
- Standard in-circuit programming connector
- IEC 61000-4-4 pre-compliance test passed (burst up to 8kV)
- IEC 61000-4-5 pre-compliance test passed (surge up to 2kV)
- RoHS compliant
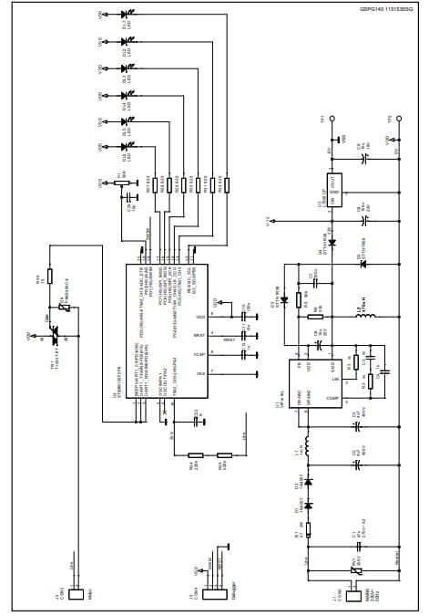
Circuit Schematic
Publié le: 2015-02-18
| Mis à jour le: 2022-03-11
