STMicroelectronics Carte d'extension STEVAL-IFP040V1
La carte d'extension STEVAL-IFP040V1 de STMicroelectronics est une carte d'extension de sortie numérique industrielle basée sur IPS1025HF dans un boîtier QFN48L. Le STEVAL-IFP040V1 offre un environnement puissant et flexible pour l'évaluation des capacités de pilotage et de diagnostic de l'IPS1025HF. L'IPS1025HF est un relais simple à semi-conducteur de puissance intelligent côté haut dans un module de sortie numérique connecté à des charges industrielles de 2,5 A.La STEVAL-IFP040V1 STM peut s'interfacer avec le microcontrôleur sur le Nucleo STM32 via des optocoupleurs de 5 kV pilotés par les broches GPIO et les connecteurs Arduino® UNO R3. La carte d'extension permet la connexion à une carte de développement NUCLEO-F401RE ou NUCLEOG431RB. Les utilisateurs peuvent également évaluer un système combinant une STEVAL-IFP045V1 empilé sur une carte d'extension STEVAL-IFP040V1.
Alimentant la STEVAL-IFP045V1 via le rail d'alimentation principal et la STEVALIFP040V1 via la sortie de la STEVAL-IFP045V1, les utilisateurs peuvent atteindre l'architecture standard d'une sortie numérique monocanal pour les systèmes de sécurité. Les étapes de processus des deux cartes d'extension entraînent un dispositif en cascade. La charge connectée à la production de la STEVALIFP040V1 ne peut être livrée que lorsque les deux systèmes en cascade fonctionnent correctement.
Caractéristiques
- Basée sur le commutateur côté haut simple IPS1025HF, avec les fonctionnalités suivantes :
- Plage de fonctionnement jusqu'à 60 V
- Faible dissipation de puissance (RON(MAX) = 25 mΩ)
- Retard de propagation au démarrage < 60 µs
- Dégradation rapide pour les charges inductives
- Pilotage intelligent de charge capacitive
- Verrouillage de sous-tension
- Protections contre les surcharges et les surchauffes
- Boîtier QFN48L 8 mm x 6 mm
- Plage de fonctionnement de la carte d'application de 8 V à 33 V / de 0 A à 2,5 A
- Plage de tension de fonctionnement étendue (J3 ouverte) jusqu'à 60 V
- LED verte pour état marche/arrêt de sortie (J11 fermeture 3-4 et SW5 fermeture 1-2)
- LED rouges pour les diagnostics de surcharge et de surchauffe (SW2 et SW4 fermeture 2-3)
- Rétroaction d'état marche/arrêt de la tension de sortie (J11 fermeture 1-2)
- Signal de contrôle pour une décharge rapide de la tension de sortie (J11 fermeture 5-6, J12 fermeture)
- Circuit de décharge rapide externe pour charges inductives énormes (J11 fermeture 7-8)
- Isolation galvanique de 5 kV
- Protection contre l'inversion de polarité du rail d'alimentation
- Compatible avec les cartes de développement Nucleo STM32
- Équipée de connecteurs Arduino® UNO R3
- Certifié CE
- Conformité aux directives RoHS et China RoHS
- Non homologué FCC pour la revente
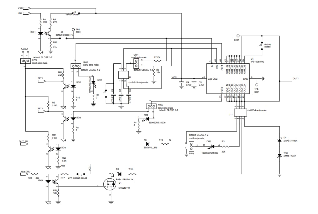
Schéma de Circuit
