STMicroelectronics Contrôleurs numériques ST-ONE
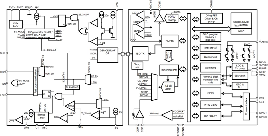
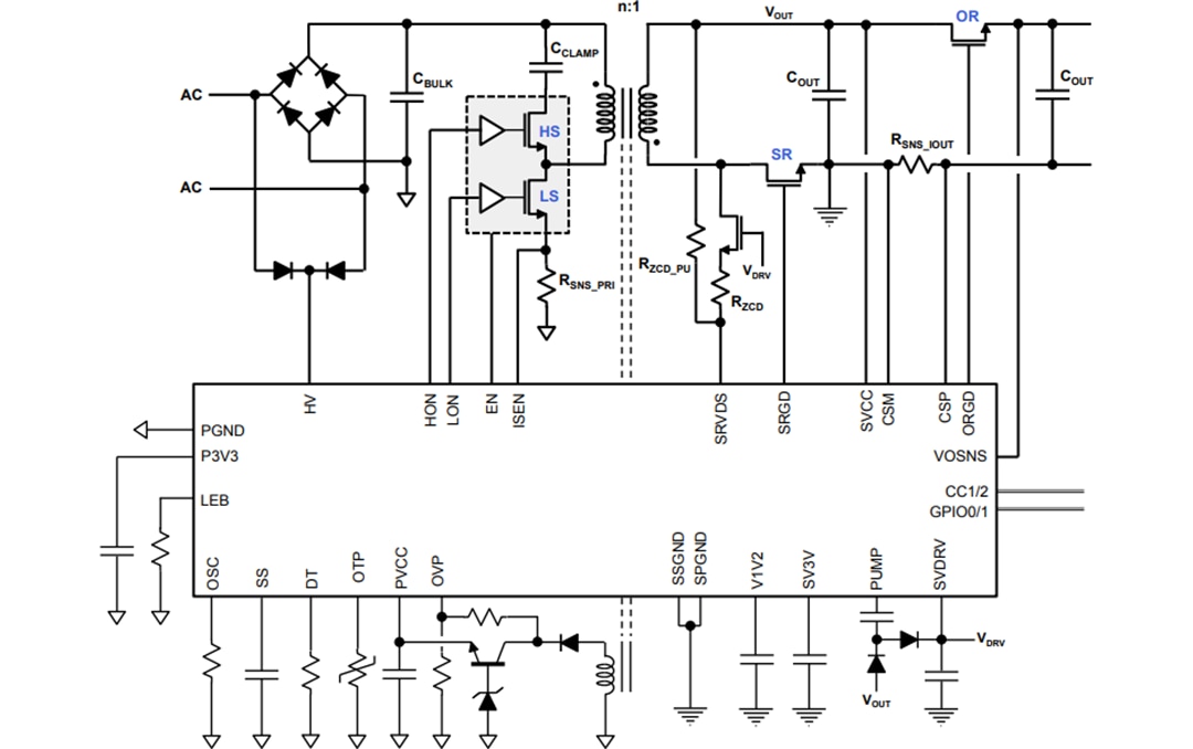
Les contrôleurs numériques ST-ONE de STMicroelectronics combinent un cœur ARM Cortex M0 +, un contrôleur programmable hors ligne et un PHY PD USB dans un seul boîtier. Le système est conçu pour contrôler des convertisseurs Flyback à limitation active non complémentaires ZVS. Cela crée des chargeurs et adaptateurs de batterie à haute densité de puissance avec une interface USB-PD. Les dispositifs comprennent un contrôleur Flyback à limitation active et son démarrage HT du côté primaire. Il comprend également un microcontrôleur et tous les périphériques nécessaires pour contrôler la conversion et la communication USB-PD du côté secondaire. Les deux côtés sont connectés via un double canal de communication intégré à isolation galvanique. Les contrôleurs numériques ST-ONE de STMicroelectronics sont logés dans un boîtier SSOP-36 compact idéal pour les applications à espace restreint.Les composants ST-ONEHP sont spécialement conçus pour contrôler les chargeurs et adaptateurs compatibles EPR USB-PD 3.1 à haute densité de puissance. Ces contrôleurs numériques sont pré-chargés avec un micrologiciel qui gère à la fois la conversion d'énergie et les protocoles de communication EPR USB-PD 3.1.
Caractéristiques
- La topologie flyback à limitation active non complémentaire permet d'atteindre une haute puissance (65 W et plus) avec un rendement supérieur par rapport au flyback QR
- Haute puissance
- Les opérations à haute fréquence, ainsi que l'utilisation du FET GaN permettent à un composant magnétique d'être de taille réduite
- Petit poids et petite taille
- Le haut niveau d'intégration réduit la nomenclature totale
- Cœur Cortex-M0+ avec mémoire flash intégrée 64 ko permettant la personnalisation du protocole USB-PD et de l'étage de conversion de puissance
- Personnalisation facile
- Le ST-ONE est fourni avec un micrologiciel certifié USB-PD 3.1 PPS préchargé dans la mémoire flash, une solution clé en main pour les applications standard
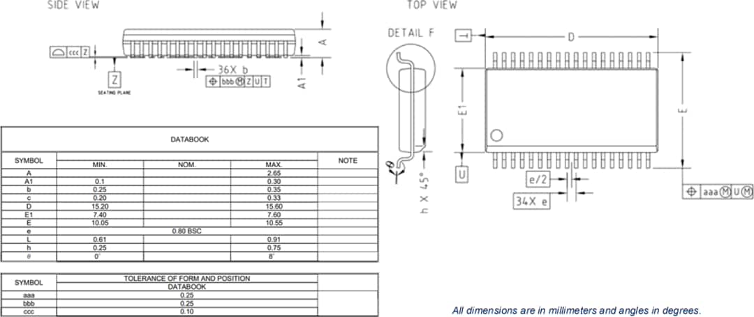
- Boîtier SSOP-36
Applications
- Chargeurs et adaptateurs USB-PD jusqu’à 100 W
- Smartphones
- Tablettes
- Ordinateurs portables
- Équipements portatifs
Schéma fonctionnel
Schéma d'application typique
Profil du boîtier
Publié le: 2022-06-02
| Mis à jour le: 2024-01-31
