STMicroelectronics PWD5T60 pilotes de puissance triphasés haute densité

Les pilotes de puissance haute densité triphasés PWD5T60 STMicroelectronics présentent un pilote de grille intégré et six MOSFET de puissance à canal N. Les pilotes PWD5T60 STMicroelectronics sont idéaux pour les applications de commande de moteur telles que les ventilateurs, les pompes et les petits appareils. Les pilotes comportent des MOSFET à résistance RDS(on) de 1,38 Ω et à tension de blocage de 500 V. Leur haute intégration permet un pilotage efficace de charge dans un espace réduit, parfait pour les configurations où l'espace est limité.

Les pilotes disposent d'une entrée dédiée pour chaque sortie, d'une broche de mise en veille, et d'entrées CMOS/TTL logiques compatible descendant jusqu'à 3,3 V, ce qui garantit un interfaçage aisé. Des retards adaptés entre les sections côté bas et côté haut permettent d'obtenir des hautes fréquences sans distorsion exploitation. La robustesse est assurée par des fonctions d'interverrouillage et de temps mort ainsi que par une protection avancée telles que le Smart ShutDown pour la surcharge et la surintensité. Des protections UVLO des deux côtés évitent les conditions de faible efficacité ou dangereuses, ce qui garantit un fonctionnement sûr. Les diodes d'amorçage intégrées et d'autres caractéristiques simplifient l'agencement des circuits imprimés et réduisent les coûts globaux. Les pilotes sont logés dans un boîtier compact VFQFPN de 12 mm x 12  mm x 0,95 mm.

Caractéristiques

  • Pilote de puissance intégrant un pilote de grille et des MOSFET de puissance sous haute tension avec RDS(on) = 1,38 Ω
  • BVDSS = 500 V
  • Large plage de tension d'alimentation d'entrée de 9 V à 20 V
  • diodes d'amorçage à chute nulle intégrées
  • Comparateur pour une protection rapide contre les surintensités avec fonctionnalité Smart ShutDown
  • Protection contre la surchauffe
  • Entrées de TTL/CMOS de 3,3 V, 5 V avec hystérésis
  • Retard de propagation homogène pour tous les canaux
  • Fonctions UVLO côté bas et côté haut
  • Fonctions de verrouillage et de temps mort
  • Broche d'activation dédiée
  • Tracé très compact et simplifié

Applications

  • convertisseurs 3-phase
  • Ventilateurs et pompes
  • Accueil et industriels appareils
  • Compresseurs de réfrigérateur

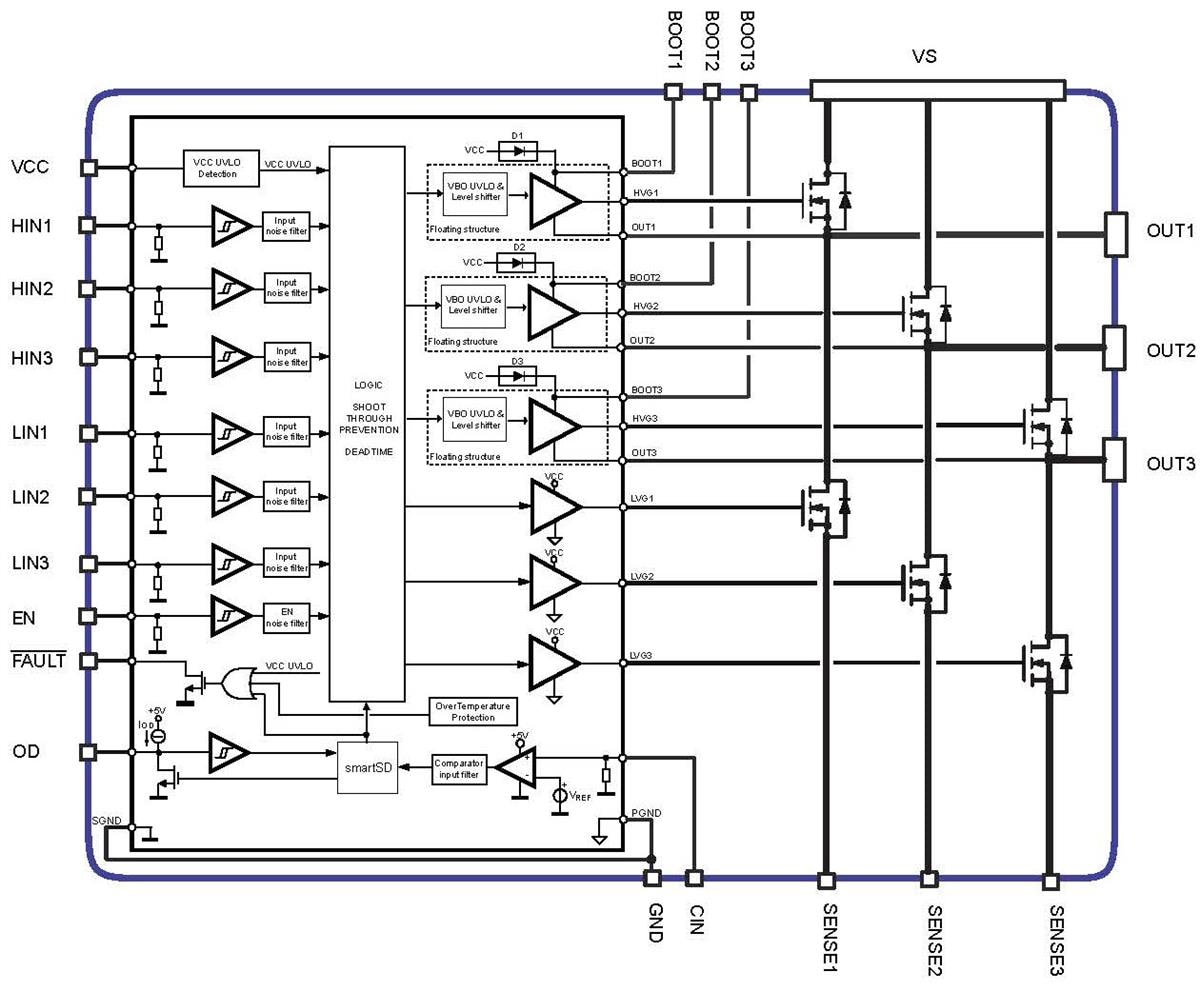
Schéma fonctionnel

Schéma de principe - STMicroelectronics PWD5T60 pilotes de puissance triphasés haute densité

Vidéos

Publié le: 2024-05-30 | Mis à jour le: 2024-11-15