STMicroelectronics Accéléromètre 3D et Gyroscope 3D LSM330/D iNEMO
L'accéléromètre et gyroscope 3D LSM330/D iNEMO STMicroelectronics est un système tout-en-un regroupant un accéléromètre numérique 3D et un gyroscope numérique 3D. La gamme des modules de capteurs MEMS de ST s'appuie sur des procédés de fabrication solides et éprouvés déjà employés pour la production d'accéléromètres et de gyroscopes micro-usinés. Les divers éléments de détection sont fabriqués à l'aide de procédés de micro-usinage spécialisés, tandis que les interfaces CI sont développées à l'aide d'une technologie CMOS qui permet la conception d'un circuit dédié condensé pour mieux correspondre aux caractéristiques de l'élément de détection. Le LSM330/D a une plage d'accélération à pleine échelle sélectionnable par l'utilisateur de ±2 g/±4 g/±8 g/±16 g ou ±2/±4/±6/±8/±16 g et une vitesse angulaire de ±250/±500/±2000 degrés/sec. Les capteurs d'accéléromètre et de gyroscope peuvent être soit activés soit mis séparément en mode Basse consommation / Veille pour les applications optimisées afin d'économiser l'énergie.The various sensing elements are manufactured using specialized micromachining processes, while the IC interfaces are developed using a CMOS technology that allows the design of a dedicated circuit which is trimmed to better match the sensing element characteristics.
The LSM330 has user-selectable full-scale acceleration range of ±2/±4/±6/±8/±16g and angular rate of ±125/±250/±500/±1000/±2000dps. The accelerometer and gyroscope sensors can be either activated or separately put in Low power/Power-down mode for applications optimized for power saving.
Caractéristiques
- 2.4V to 3.6V analog supply voltage
- 1.8V digital supply voltage IOs
- Low power mode
- Power-down mode
- Sleep mode
- 2 embedded programmable state machines
- 3 independent acceleration channels and 3 angular rate channels
- ±2/±4/±6/±8/±16g selectable full scale
- ±250/±500/±2000 dps selectable full scale
- SPI/I2C serial interface (16-bit data output)
- Programmable interrupt generator for free-fall and motion detection
- Embedded temperature sensor
- Embedded FIFO
- ECOPACK® RoHS and "Green" compliant
Applications
- GPS navigation systems
- Impact recognition and logging
- Gaming and virtual reality input devices
- Motion activated functions
- Intelligent power saving for handheld devices
- Vibration monitoring and compensation
- Free-fall detection
- 6D orientation detection
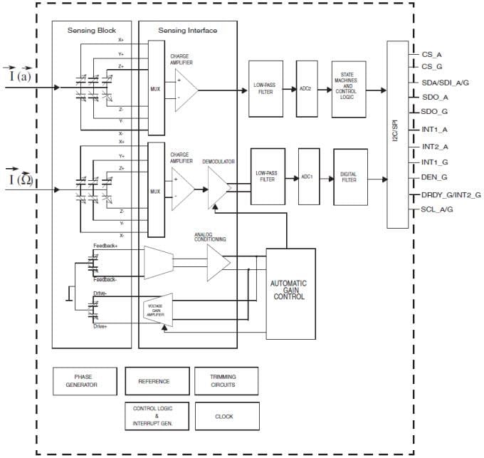
Block Diagram
Publié le: 2014-03-13
| Mis à jour le: 2024-02-16
