STMicroelectronics Amplificateurs opérationnels quadruples à faible puissance LM2902B
Les amplificateurs opérationnels (amplis op) quadruples à faible puissance LM2902B de STMicroelectronics sont spécialement conçus pour les systèmes de commande automobiles et industriels. Ces quatre amplificateurs indépendants à gain élevé ont une compensation de fréquence mise en œuvre en interne. Les amplificateurs opérationnels quadruples à faible puissance LM2902B ont une tension d'alimentation de fonctionnement pouvant atteindre 36 V, une large bande passante de 1,2 MHz (gain unitaire) et un gain de tension CC élevé de 100 dB. Ces amplificateurs sont homologués AEC-Q100 et peuvent fonctionner sur une seule alimentation électrique sur une large plage de tensions. Les amplificateurs opérationnels quadruples basse puissance LM2902B sont utilisés dans les équipements de télécommunications, la gestion de l'alimentation et les applications industrielles.Caractéristiques
- Tension d'alimentation de fonctionnement jusqu'à 36 V
- Compensation de fréquence mise en œuvre en interne
- Amplificateur/courant d'alimentation très faible et essentiellement indépendant de la tension d'alimentation
- Large bande passante 1,2 MHz (compensée en température) (gain unitaire)
- Faible courant de polarisation d'entrée 20 nA (compensé en température)
- Tension d'entrée différentielle de ±40 V
- Plage de tension d'entrée en mode commun avec le rail négatif
- Plage de tension d'entrée différentielle égale à la tension d'alimentation
- Homologué AEC-Q100
- gain de tension CC élevé de 100 dB
- Faible courant de décalage d'entrée 2 nA
- Oscillation de tension de sortie large de 0 V à VCC - 1,5 V
- Température de jonction maximale 150 °C
Applications
- Équipement de télécommunications
- Gestion de l'alimentation
- Industriel
- Automobile
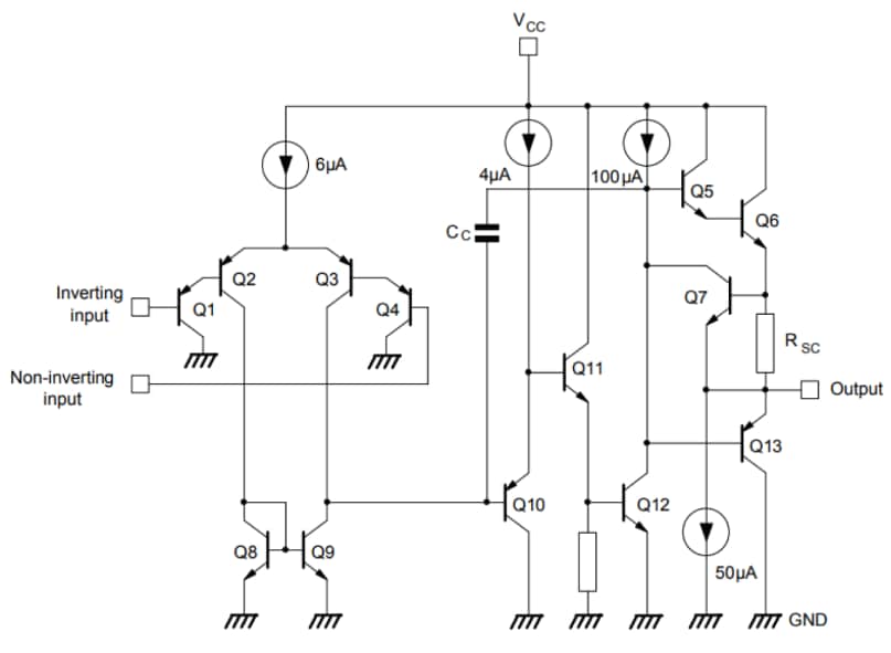
Diagramme schématique
Publié le: 2022-03-07
| Mis à jour le: 2022-05-31
