STMicroelectronics Régulateurs à faible tension de décrochage LDK130P DFN-6L
Les régulateurs à faible tension de déchet LDK130P DFN-6L STMicroelectronics fournissent un courant maximal de 300 mA à partir d'une tension d'alimentation en entrée entre 1,9 et 5,5 V avec une tension de déchet standard de 100 mV. Ils sont stabilisés avec un condensateur en céramique sur la sortie. Les caractéristiques de tension de déchet très faible, de faible courant de repos et de bruit réduit conviennent aux applications alimentées par batterie à faible puissance. Une fonction d'activation de commande logique met le LDK130P en mode d’arrêt permettant une consommation totale du courant inférieure à 1 µA. Ce composant comporte aussi une limitation de courant constant en court-circuit et une protection thermique.Caractéristiques
- Input voltage from 1.9V to 5.5V
- Very low dropout voltage (100mV typ. at 100mA load)
- Low quiescent current (max. 120μA, 1μA in OFF mode)
- Very low noise
- Output voltage tolerance: ± 2.0% @ 25°C
- 300mA guaranteed output current
- Wide range of fixed output voltages available on request from 0.8V to 3.5V with 100mV step
- Adjustable version: from 0.8V to VIN to Vdrop
- Logic-controlled electronic shutdown
- Compatible with ceramic capacitor COUT = 1μF
- Internal current and thermal limit
- Temperature range: -40°C to +125°C
Applications
- Smartphones
- Tablets
- Cordless phones and similar battery-powered systems
- Digital still cameras
Block Diagram
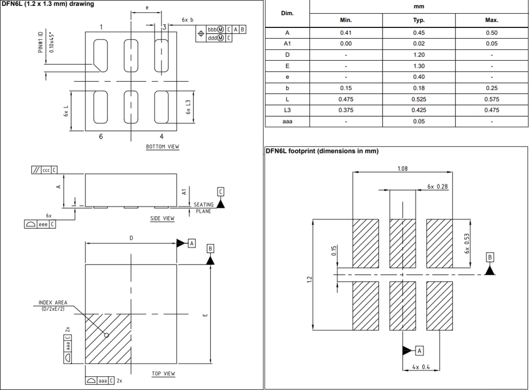
Package Outline
Publié le: 2014-04-21
| Mis à jour le: 2024-04-23
