STMicroelectronics Pilote de grille de pont en H L99H02
Le pilote de grille de pont en H L99H02 de STMicroelectronics est conçu pour piloter quatre transistors MOS à canal N externes en configuration de pont en H pour le pilotage de moteurs CC dans les applications automobiles. Un amplificateur de détection de courant configurable gratuitement est intégré au L99H02 de STMicroelectronics. L'interface périphérique série (SPI) standard intégrée contrôle le composant et fournit des informations de diagnostic. Une broche d'interface pour les capteurs thermiques des MOSFET externes est mise en œuvre.Caractéristiques
- Homologué AEC-Q100
- Tension d'alimentation de fonctionnement de 6 V à 28 V
- Pompe de charge centrale à 2 étages
- Rapport cyclique 100 %
- RDSon complet descendant à 6 V (MOSFET à seuil de niveau standard)
- Sortie de pompe de charge disponible pour piloter une protection NMOSFET inverse de batterie externe
- Courant de pompe de charge limité
- Fonctionnement PWM jusqu'à 30 kHz
- Interface SPI
- Amplificateur de détection de courant/configurable gratuitement
- Réglage du zéro pour le réglage de fin de ligne
- Gestion de l'alimentation : roue libre programmable
- Un circuit de détection de MOSFET externes avec capteurs thermiques intégrés
Applications
- Balai
- Porte motorisée
- Tendeur de ceinture de sécurité
- Positionnement de siège
- Tronique de vanne
- Frein à main
- Moteurs 2H
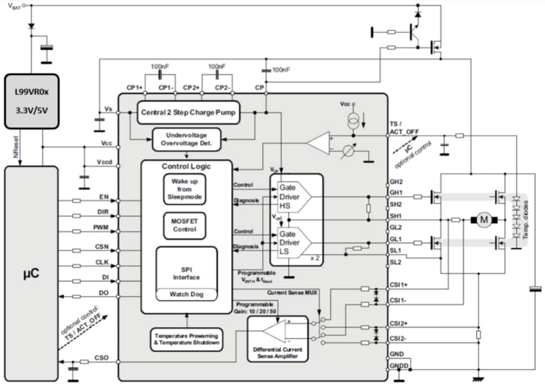
Schéma fonctionnel
Publié le: 2021-10-29
| Mis à jour le: 2023-01-06
