STMicroelectronics L6986 Synchronous Step-Down Switching Regulators

STMicroelectronics L6986H Synchronous Step-Down Switching Regulators deliver up to 2A DC with an output voltage adjustability that ranges from 0.85V to VIN. The STMicroelectronics L6986I is a 38V, 5W synchronous iso-buck converter that enables a finely adjustable primary output voltage and an isolated secondary output generated using a transformer. The primary sink capability (typ. 1.9 A) allows appropriate energy transfer to the secondary side and enables soft-start tracking of the secondary output. The control loop is based on a peak current mode architecture, with the device operating in forced PWM. The 300ns blanking time filters oscillations generated by the transformer leakage inductance and renders the solution more robust.

Pulse-by-pulse current sensing on both power elements implements effective constant current protection on the primary side. At the same time, the second output is protected against short-circuit events because of the primary reverse current limit. Thanks to the P-channel MOSFET high-side power element, the device features a 100% duty cycle operation. The wide input voltage range meets the specifications for the 5V, 12V, and 24V power supplies.

Features

  • 2A DC output current
  • 4V to 38V operating input voltage
  • Low consumption mode or low noise mode
  • 30µA IQ at light-load (LCM VOUT = 3.3V)
  • 8µA IQ-SHTDWN
  • Adjustable fSW (250kHz - 2MHz)
  • Fixed output voltage (3.3V and 5V) or adjustable from 0.85V to VIN
  • Embedded output voltage supervisor
  • Synchronization
  • Adjustable soft-start time
  • Internal current limiting
  • Overvoltage protection
  • Output voltage sequencing
  • Peak current mode architecture
  • RDS(on)HS = 180mΩ, RDS(on)LS = 150mΩ
  • Thermal shutdown

Specifications

  • 2A DC output current
  • 4V to 38V operating input voltage
  • 30µA IQ at light-load (LCM VOUT = 3.3V)
  • Adjustable fSW (250kHz - 2MHz)
  • Fixed output voltage (3.3V and 5V) or adjustable from 0.85V to VIN
  • RDS(on)HS = 180mΩ, RDS(on)LS = 150mΩ
  • L6981I
  • 1.9A typical sink peak primary current capability
  • 300ns blanking time
  • 8µA IQ-SHTDWN

Applications

  • Designed for 12V and 24V buses
  • Programmable logic controllers (PLCs)
  • Decentralized intelligent nodes
  • Sensors and low noise applications (LNM)

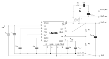
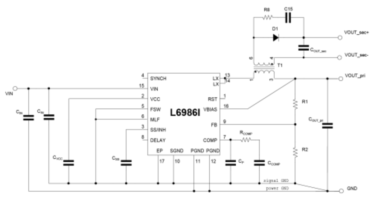
Block Diagram

Videos

Publié le: 2019-05-01 | Mis à jour le: 2024-03-26