STMicroelectronics Carte d'évaluation E-VNQ9025AJ
La carte d'évaluation EV-VNQ9025AJ de STMicroelectronics est conçue de pour fournir un moyen facile de connecter le pilote côté haut à quadruple canal VNQ9025AJ au système existant. Cette carte d'évaluation est livrée pré-assemblée avec le pilote VNQ9025AJ et dispose d'un ensemble minimum de composants embarqués pour connecter directement la charge, l'alimentation et le microcontrôleur. Le pilote côté haut à canal quadruple VNQ9025AJ est conçu pour piloter des charges automobiles de 12 V mises à la terre via une interface CMOS compatible 3 V et 5 V, offrant une protection et des diagnostics. Les fonctions de protection comprennent l'arrêt en cas de sous-tension, l'arrêt en cas de surtension, la limitation du courant de charge, la perte de terre et la perte deVCC, ainsi que la décharge électrostatique. Les applications comprennent les charges automobiles résistives, inductives et capacitifs, l'alimentation protégée pour le système d'aide à la conduite (ADAS) tels que les radars et les capteurs, et les lampes automobiles P27W ou SAE1156.Caractéristiques
- Fonctionnement à tension extrêmement basse pour des applications de démarrage à froid profond
- Pilote côté haut intelligent à quatre canaux avec rétroaction analogique à détection de courant
- Courant de veille très faible
- Compatible avec les sorties CMOS 3 V et 5 V
- Fonctions de diagnostic de détection de courant
- Rétroaction analogique multiplexée du courant de charge avec miroir de courant proportionnel de haute précision
- Indication de surcharge et de court-circuit à la terre (limitation de puissance)
- Indication d'arrêt thermique
- Détection de charge ouverte à l'état bloqué (avec pull-up externe)
- Détection de court-circuit de sortie versVCC
- Activation/désactivation de la détection
- Protections :
- Arrêt en sous-tension
- Limitation de surtension
- Limitation du courant de charge
- Auto-limitation des transitoires thermiques rapides
- Verrouillage configurable sur la surchauffe ou la limitation de puissance avec une broche de réinitialisation de défaillance dédiée
- Perte de terre et perteVCC
- Batterie inverse via l'auto-allumage
- protection contre les décharges électrostatiques
Applications
- Charges Automobile résistives, inductives et capacitifs
- Alimentation protégée pour lesystème d'aide à la conduite (ADAS) tels que les radars et capteurs les
- Lampes automobiles P27W ou SAE1156
Connexions de la carte d'évaluation
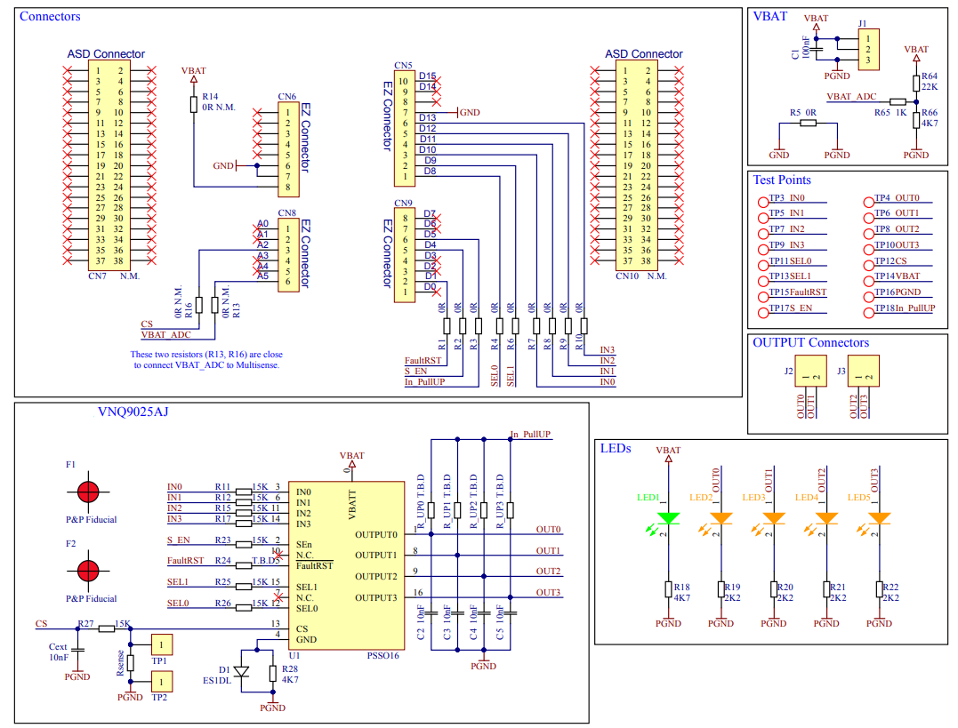
Schémas de la carte
Publié le: 2023-05-15
| Mis à jour le: 2023-06-13
