STMicroelectronics Transformateur à balun BALF-SPI-01D3
Les transformateurs à balun STMicroelectronics utilisent le procédé ST qui intègre des composants RF passifs de haute qualité, sur un simple substrat de verre. En même temps qu'une conversion équilibrée/non-équilibrée, ils peuvent intégrer un réseau d'adaptation dans une empreinte inférieure à 1 mm2 pour la fonction complète.Caractéristiques
- 50Ω nominal input/conjugate match to Spirit1
- Low insertion loss
- Low amplitude imbalance
- Low phase imbalance
- Small footprint
- Very low profile (<670μm)
- High RF performance
- RF BOM and area reduction
Applications
- BALF-SPI-01D3:
- 868MHz and 915MHz impedance matched balun filter
- Optimized for SPIRIT1 sub GHz RFIC
- BALF-SPI-02D3:
- 434MHz impedance matched balun filter
- Optimized for ST chipset SPIRIT1
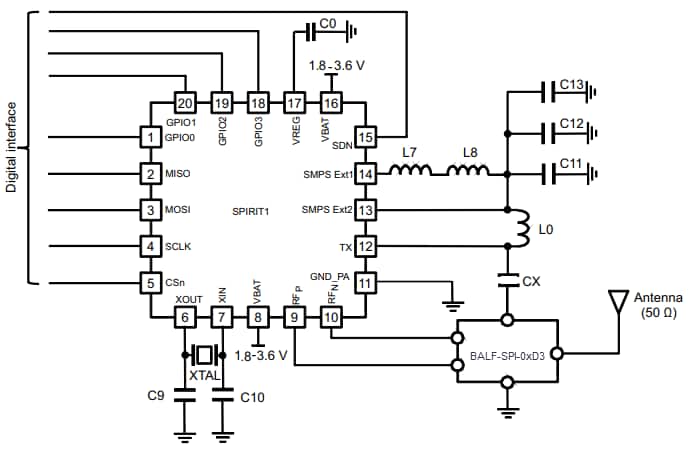
BALF-SPI-0xD3 Application Circuit
Publié le: 2014-02-19
| Mis à jour le: 2022-03-11
