STMicroelectronics Convertisseur Iso-Buck A6983I
Le convertisseur Iso-Buck A6983I STMicroelectronics est spécialement créé pour la topologie Buck isolée. La tension de sortie primaire sur le A6983I peut être ajustée avec précision, tandis que la sortie secondaire isolée est dérivée à l’aide d’un rapport de transformateur donné. Aucun optocoupleur n’est requis. La capacité de dissipation primaire jusqu’à 4,5 A (même pendant le démarrage progressif) permet un transfert d’énergie approprié vers le côté secondaire et permet un démarrage progressif suivi de la sortie secondaire. La boucle de contrôle prend en charge une architecture en mode courant de crête et le A6983I STM fonctionne en MLI forcé. Les oscillations de filtre à temps d’effacement de 390 ns générées par l’inductance de fuite du transformateur rendent la solution plus robuste.Le boîtier compact QFN-16 (3 mm x 3 mm) et la compensation interne de l'A6983I aident à minimiser la complexité et la taille de la conception. La fréquence de commutation peut être programmée dans la plage de 200 kHz à 1 MHz avec un spectre étalé optionnel pour une CEM améliorée.
Caractéristiques
- Homologué AEC-Q100
- Plage de température de fonctionnement de -40 °C à +150 °C pour TJ
- Conçu pour la topologie iso-buck
- Tension d'entrée de fonctionnement comprise entre 3,5 V et 38 V
- Tolérance aux pertes de charge jusqu’à 40 V
- Régulation de tension de sortie primaire, aucun optocoupleur requis
- Capacité de courant primaire de crête source/dissipateur 4,5 A
- Architecture en mode courant de crête en fonctionnement PWM forcé
- Temps d'effacement 390 ns
- Courant de repos de 25 µA
- Fréquence de commutation programmable de 200 kHz à 1 MHz, stable avec un condensateur à faible ESR, min 2 µF
- Réseau de compensation interne
- Courant d'arrêt de 2 μA
- Démarrage progressif interne
- Activation broche
- Protection contre les surtensions
- Séquencement de tension de sortie
- Protection thermique
- Spectre étalé optionnel pour un CEM amélioré
- Bonne alimentation
- Synchronisation avec l'horloge externe
- Boîtier QFN-16 (3 mm x 3 mm)
Applications
- Alimentation de commande de grille MOSFET IGBT/SiC isolée automobile
- Chargeur embarqué (OBC) pour véhicules électriques/hybrides
- Systèmes de traction électrique
Schéma fonctionnel
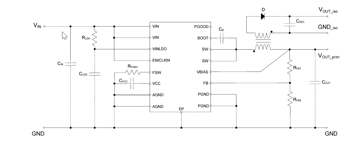
Circuit d'application standard
Schéma général du convertisseur Iso-buck
Publié le: 2024-02-16
| Mis à jour le: 2025-03-28
