STMicroelectronics Demi-pont à haute densité de puissance GaN GANSPIN611
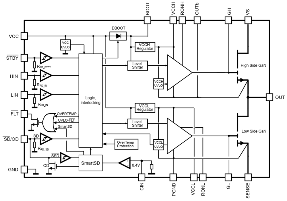
Le demi-pont à haute densité de puissance GaN GANSPIN611 de STMicroelectronics est un système de puissance en boîtier qui intègre deux transistors GaN en mode d’amélioration dans une configuration en demi-pont pilotée par un pilote de grille haute fréquence et haute tension à la pointe de la technologie. Les GaN intégrés de puissance présentent une RDS(ON)de 138 mΩ et une tension de rupture drain-source de 650 V, tandis que la diode intégrée d'amorçage peut facilement alimenter le côté haut du pilote intégré de grille.Le GANSPIN611, conçu pour le contrôle de mouvement, optimise la sortie dV/dt à 10 V/ns (std.) pour les allumages/extinctions brusques. Cette fonctionnalité est requise dans le contrôle de moteur pour l'EMI, l'enroulement du moteur et la fiabilité du roulement à billes. La robustesse et la fiabilité sont également des facteurs distinctifs de la série GaNSPIN. En intégrant des protections avancées, les dispositifs GaNSPIN assurent la robustesse idéale du système. La protection contre les surintensités SmartShutdown offre une réponse rapide grâce à sa logique intégrée et à ses comparateurs dédiés à haute vitesse.
Le GANSPIN611 de STMicroelectronics est disponible dans un boîtier QFN compact de 9 mm x 9 mm x 1 mm et fonctionne dans la plage de température industrielle de -40 °C à +125 °C. Le GaNSPIN611 est compatible broche à broche avec le GaNSPIN612 [RDS(ON) de 270 mΩ], pour maximiser l'évolutivité selon une approche de plateforme.
Caractéristiques
- Famille de systèmes en boîtier (SiP) d'alimentation intégrant des transistors GaN haute tension dans une configuration à demi-pont avec un pilote de grille haute tension
- RDS(ON) = 138 mΩ
- IDS(MAX) = 10 A
- Capacité de conduction inverse et perte de récupération inverse nulle
- Sortie dV/dt de 10 V/ns (std) en mode « hard-on » et « hard-off », adaptée au contrôle de moteur
- Régulateurs linéaires pour réguler la tension d’alimentation du pilote côté haut et côté bas
- Mise sous tension dV/dt réglable à l’extérieur
- Diode d'amorçage interne
- Comparateur pour détection de surintensité avec fonction d’arrêt intelligent
- Protection UVLO sur VCC, VHS et VLS
- Fonction de verrouillage, arrêt, mode veille et broches de défaut
- Pilote de grille de 55 ns conduisant à un retard de propagation de sortie global de 150 ns (std.)
- Entrées compatibles 3,3 V à 20 V avec hystérésis et niveau bas (pull-down)
Applications
- Appareils ménagers
- Compresseurs
- Pompes
- Ventilateurs
- Appareils de soins personnels
- Automatisation d’usine
- Servomoteurs
- Outils électriques
Schéma fonctionnel
