STMicroelectronics Carte d’évaluation de pilote de moteur micro-pas EVL6480
STMicroelectronics EVL6480 Stepper Motor Driver Evaluation Board is based on the L6480 and provides an affordable and easy-to-use solution to drive a stepper motor in the user's application. The L6480 device is an advanced, fully integrated solution suitable for driving micro-stepping two-phase bipolar stepper motors. It combines a dual full-bridge gate driver for N-channel MOSFET power stages with embedded non-dissipative overcurrent protection. Thanks to a unique voltage driving mode, which compensates for BEMF, bus voltage, and motor winding variations, the micro-stepping of a true 1/128-step resolution is achieved. The digital control core can generate user-defined motion profiles with acceleration, speed, deceleration, or target position, easily programmed through a dedicated set of registers. All commands and data registers are sent through a standard 5Mbit/s SPI, including those used to set analog values (such as current control value, current protection trip point, dead time, etc.). A complete set of protections (thermal, low bus voltage, overcurrent, and motor stall) fully protects the L6480 device, as required by the most demanding motor control applications.Le EVL6480 STMicroelectronics est compatible avec le connecteur Arduino® UNO R3 et prend en charge l’ajout d’autres cartes, qui peuvent être empilées pour piloter jusqu’à trois moteurs pas-à-pas.
Caractéristiques
- Plage de tension de 7,5 V à 85 V
- MOSFET à faible RdsON en boîtier DPAK
- Pilotage en mode tension
- Étage de puissance entièrement protégé
- Résolution Micro-pas jusqu’à 1/128
- Compatible avec le connecteur Arduino® UNO R3
- Adapté aux solutions multi-moteurs
- Conforme à la directive RoHS
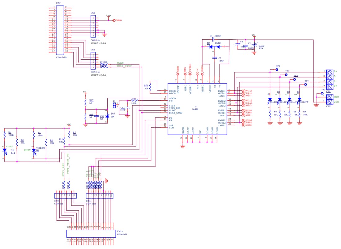
Schéma de la carte
Publié le: 2024-10-31
| Mis à jour le: 2024-11-07
