Skyworks Solutions Inc. SKY66122-11EK1 Evaluation Board
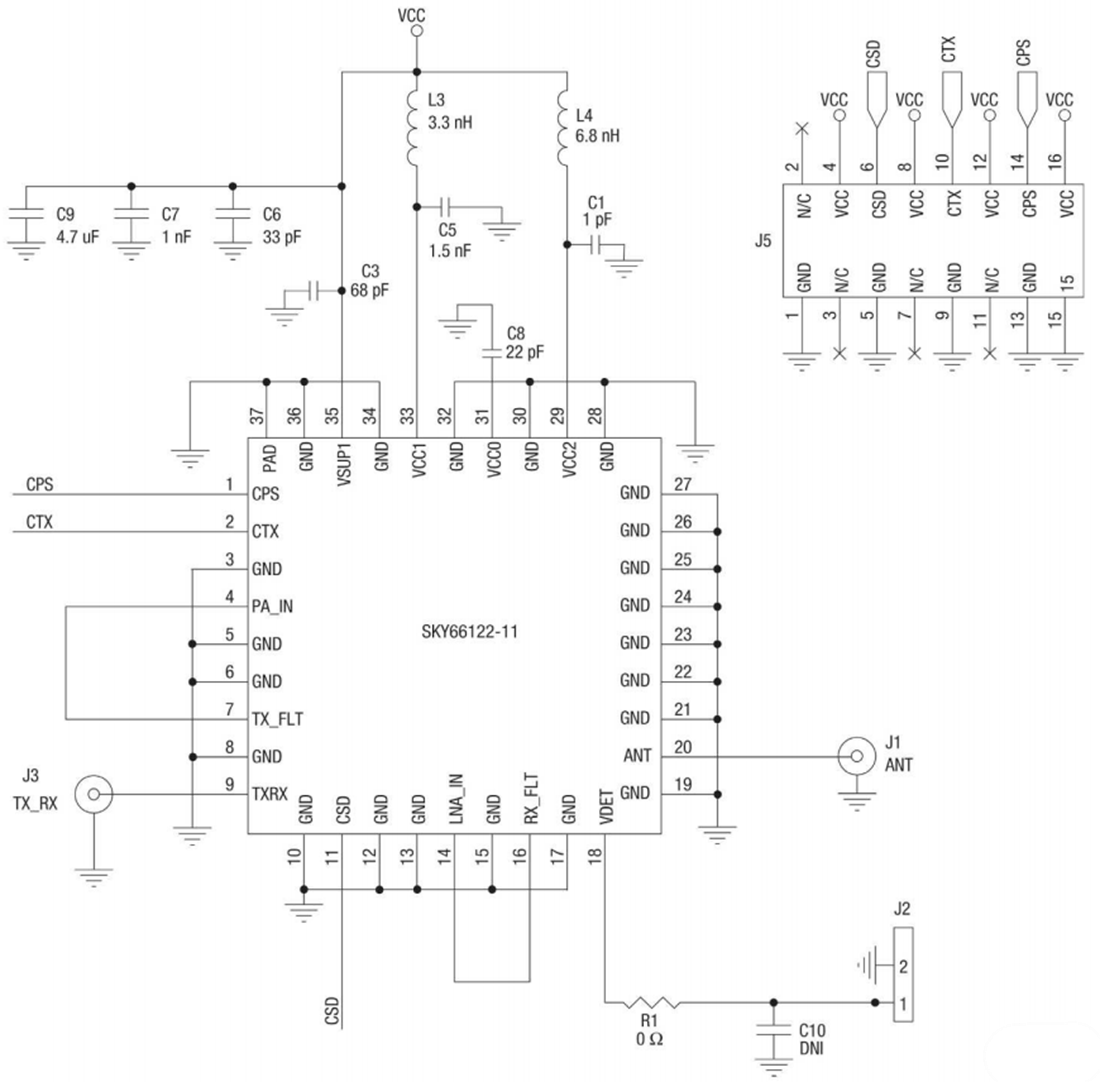
Skyworks SKY66122-11EK1 Evaluation Board is used to test the performance of the SKY66122-11. The Skyworks SKY66122-11 is a high-performance, highly integrated RF front-end module (FEM) designed for high-power industrial, scientific, medical (ISM) band, Wi-SUN, and other IoT applications operating in the 863 to 928MHz frequency range.Board Schematic
Publié le: 2021-02-16
| Mis à jour le: 2022-03-11
