Sfera Labs Iono MKR I/O Module
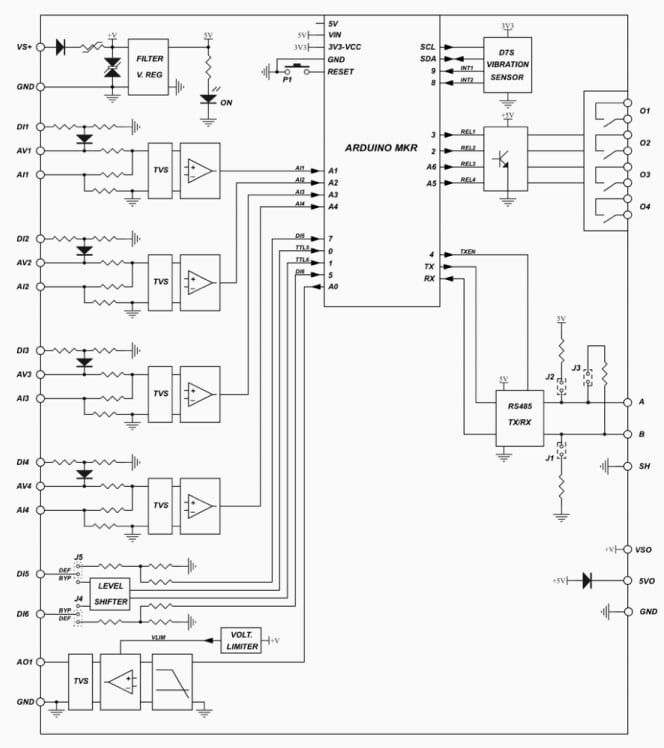
Sfera Labs Iono MKR I/O Module combines the ease of use of the Arduino platform with multiple input and output interfaces. The Arduino platform's power is integrated with WiFi, BLE, GSM, NB-IoT, LoRa, and SigFox connectivity in an industrial suite. The Iono MKR module is rugged, safe, reliable, easy to connect, and suited for installation both in industrial and residential environments. This module features 4x multi-mode inputs, 2x digital inputs, 4x power-relay outputs, reverse polarity protection, Electro-static Discharge (ESD) protection, and an optional earthquake sensor module. The Iono MKR can be employed for professional applications where extreme reliability, ruggedness, and compliance with technical and safety directives are required.Features
- 12VDC to 24VDC power supply with surge and reverse polarity protection
- Compatible with 3.3V operating voltage Arduino MKR boards
- 4x multi-mode inputs
- 2x digital inputs for potential-free contacts
- 0 to 10V controlled by the Arduino MKR DAC output
- 4x power relay outputs rated for 6A at 250V
- Standard RS-485 interfaces to the Arduino serial pins with ESD protection
- 1-wire and Wiegand support
- Optional real-time clock with onboard Lithium
- Optional earthquake sensor module
- Removable terminal blocks
- Double internal insulation
- Compact and standard modular housing 3 unit size
- Suitable for mounting on omega rail
Documents
- User References
- Technical Reference
- Certifications
Iono MKR I/O Module Block Diagram
Iono Dimensions
Iono Connection Diagram
Learn More About
Publié le: 2018-08-30
| Mis à jour le: 2022-08-10
