STMicroelectronics Kit d'évaluation STEVAL-MKI234KA
Le kit d'évaluation STEVAL-MKI234KA de STMicroelectronics est basé sur le module inertiel LSM6DSV16BX avec un capteur électrostatique Qvar. Ce kit d'évaluation comprend trois électrodes différentes pour le rendre compatible avec la carte mère STEVAL-MKI109V3. Le STEVAL-MKI234KA dispose d'un brochage LSM6DSV16BX complet pour un socket DIL 24 standard et est utilisé avec les condensateurs de découplage sur la ligne d'alimentation électrique VDD. Le STEVAL-MKE00xAA peut être branché dans la carte STEVAL-MKI234A. La carte mère STEVAL-MKI109V3 prend en charge l'adaptateur, y compris un microcontrôleur 32 bits à hautes performances comme pont entre le capteur et le PC. Le kit d'évaluation peut utiliser l'interface utilisateur graphique téléchargeable ou des routines logicielles dédiées pour des applications personnalisées et brancher la carte dans une carte d'extension X-NUCLEO-IKS01A3.Caractéristiques
- Carte LSM6DSV16BX conviviale
- Brochage LSM6DSV16BX complet pour socket DIL 24 standard
- Totalement compatible avec la carte-mère STEVAL-MKI109V3
- Conforme à la directive RoHS
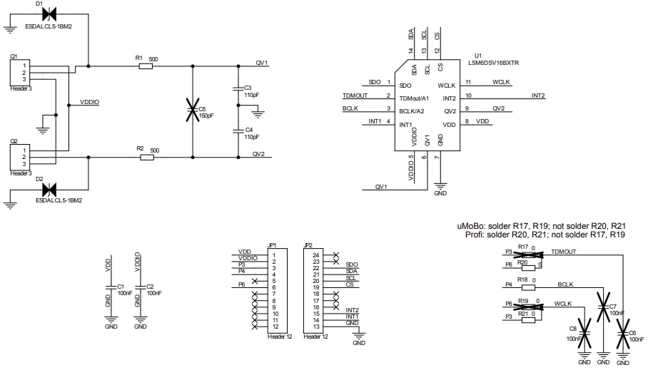
Schéma de principe
Publié le: 2023-01-24
| Mis à jour le: 2023-03-29
