Infineon Technologies Capteur de position inductif XENSIV™ TLE4802

Le capteur de position inductif XENSIV ™ TLE4802 d'Infineon Technologies utilise la méthode de courant de Foucault pour détecter la position d'une cible métallique au-dessus des bobines imprimées sur PCB. Ce CI à capteur inductif dispose d'une unité de traitement du signal numérique (DSP) pour la compensation du signal, le calcul de l'angle et du moment de torsion. Le capteur inductif TLE4802 comprend deux interfaces à fil unique, SENT (basées sur la norme SAE J2716-2016) et SPC, pour une flexibilité et une intégration fluide. Le dispositif se compose de fonctionnalités de protection telles que la surtension et la polarité inverse et est disponible dans un boîtier CMS PG-TSSOP-16. Ce capteur de position inductif est conforme à la directive RoHS et qualifié AEC-Q100. Le capteur de position inductif TLE4802 est idéal pour les capteurs de moment de torsion de direction et les capteurs d'angle de braquage.

Caractéristiques

  • Principe de mesure basé sur l'induction
  • Mesures à double angle et informations calculées sur le moment de torsion
  • Champ parasite intrinsèque robuste selon la norme ISO 11452-8:2015
  • Élément de sécurité ISO 26262:2018 hors contexte pour les exigences de sécurité jusqu'à ASIL D
  • Caractéristique de cybersécurité
  • Interfaces SENT (basée sur SAE J2716-2016) et SPC
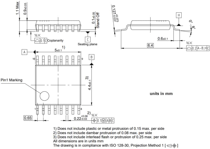
  • Boîtier CMS PG-TSSOP-16, grade 0
  • Température ambiante de -40 °C à 150 °C
  • Protection contre la surtension et la polarité inverse
  • Mémoire intégrée pour l'étalonnage et la configuration
  • Conforme à la directive RoHS
  • Boîtier sans halogène

Applications

  • Automobile
  • Capteurs de moment de torsion de direction
  • Capteurs d'angle de braquage

Schéma fonctionnel

Schéma de principe - Infineon Technologies Capteur de position inductif XENSIV™ TLE4802

Schéma des dimensions

Plan mécanique - Infineon Technologies Capteur de position inductif XENSIV™ TLE4802
Publié le: 2025-05-15 | Mis à jour le: 2025-10-07