Sensirion Carte d'évaluation SENSEVAL-SCB4XV1
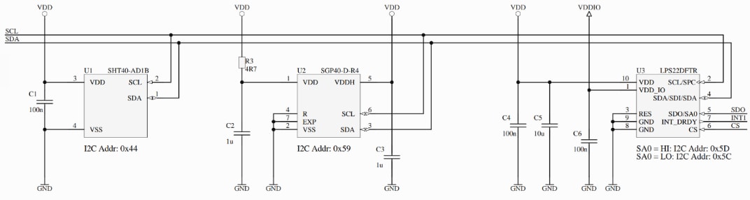
La carte d’évaluation SENSEVAL-SCB4XV1 de Sensirion simplifie l’évaluation et le prototypage des capteurs pour les SHT40, SGP40 et LPS22DF STMicroelectronics de Sensirion. La carte est compatible avec le socket DIL 24 STMicroelectronics et prise en charge par la carte mère STEVAL-MKI109V3 et les cartes STM32Nucleo. La combinaison de capteurs sur cette carte permet d’évaluer les idées nécessitant l’humidité relative, la température, les composés organiques volatils et la pression barométrique. Le dispositif peut être une plateforme d’évaluation de capteurs individuels et d’idées de prototypage à l’aide d’un ou plusieurs capteurs.Caractéristiques
- Permet aux utilisateurs de mesurer et de comprendre la qualité de l’air intérieur
- Facilite l’identification des événements potentiellement dangereux
- Prise en charge par la carte mère STEVAL-MKI109V3
- Compatible avec les cartes d’extension X-NUCLEO-IKS4A1 et X-NUCLEO-IKS02A1 de STMicroelectronics
Caractéristiques techniques
- précision d’humidité relative standard 1,8 % HR
- plage d’humidité relative de fonctionnement HR de 0 à 100 %
- temps de réponse 4 s (±63 %)
- 2 sorties de capteur de signaux bruts numériques 16 bits
- sortie traitée d’index COV de 0 à 500
- plage de mesure de 0 à 1 000 ppm
- temps de réponse <10 s (±63 %)
- ±15 % m.v. var appareil-à-appareil
- Temps d’allumage 1h
- < 0,05 ppm d’équivalents éthanol ou < 10 % de la limite de consigne de concentration de détection
- Tension d’alimentation 1,7 V à 3,6 V
- Interfaces I2C
- Taille 31 mm x 18 mm x 12 mm (LxlxH)
- précision de température standard 0,2 °C
- Plage de température de fonctionnement de -40 °C à 125 °C
- temps de réponse 2 s (±63 %)
Caractéristiques techniques de l’interface matérielle
Ressources supplémentaires
Publié le: 2024-04-23
| Mis à jour le: 2024-05-07
