Semtech Suppresseur de tension transitoire (TVS) RClamp®10022PWQ
Le suppresseur de tension transitoire (TVS) RClamp®10022PWQ de Semtech est conçu pour la protection DES des interfaces 100BASE-T1 et 1000BASE-T1 dans les environnements automobiles. Ce suppresseur à deux lignes utilise la technologie d'avalanche de silicium pour des performances d'amorçage DES et TLP excellentes. Le TVS RClamp10022PWQ de Semtech offre une tension de contact de ±15 kV, une protection de décharge d'air de ±25 kV selon la norme CEI 61000-4-2 et une capacité maximale de 0,6 pF. Le TVS RClamp10022PWQ répond aux normes Open Alliance pour les applications 10BASE-T1S, 100BASE-T1 et 1000BASE-T1, garantissant une connectivité Ethernet fiable pour les systèmes avancés d'assistance à la conduite (ADAS) et la conduite autonome.Caractéristiques
- Conformité aux exigences Open Alliance
- Certifié AEC-Q100
- Technologie à avalanche au silicium à semi-conducteurs
- Flancs mouillables sur le côté
- Conception d'emballage optimisée pour une mise en page facile
Applications
- 2.5G/5G/10GBASE-T1
- Ethernet 100/1000BASE-T1 Open Alliance
- Lignes de réseau embarquées dans les véhicules automobiles
Caractéristiques techniques
- DES selon la norme CEI 61000-4-2
- ±15 kV pour le contact
- ±25 kV pour l'air
- DES selon la norme ISO 10605
- ±30 kV pour le contact et l'air
- ±15 kV pour le contact
- ±15 kV pour 1000 décharges de contact
- Capacité maximale de 0,6 pF
- Tension de déclenchement du TVS minimale de 100 V
- Tension de fonctionnement du TVS de 30 V
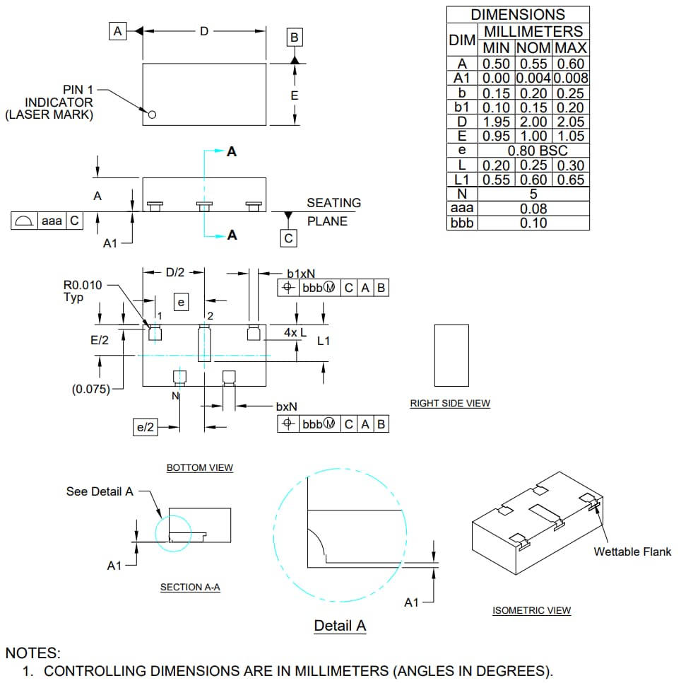
- Étui DFN de 2 mm x 1 mm x 0,55 mm
- Finition des broches sans plomb
Boîtier à flanc mouillable
Schéma de principe
Schéma des dimensions
Vidéos
Publié le: 2025-02-24
| Mis à jour le: 2025-07-16
