Semtech Sérialiseurs 3G/HD/SD-SDI GS2972
Les sérialiseurs 3G/HD/SD-SDI GS2972 de Semtech génèrent un signal de sortie numérique série SMPTE ST 424, SMPTE ST 292, SMPTE ST 259-C ou DVB-ASI. La PLL intégrée à bande passante étroite permet à l'appareil d'accepter des horloges parallèles avec une gigue d'entrée élevée. Les appareils fournissent une sortie numérique série conforme SMPTE. L'appareil peut fonctionner selon quatre modes de base sélectionnables par l'utilisateur : le mode SMPTE, le mode DVB-ASI, le mode de transfert de données ou le mode veille.Caractéristiques
- Fonctionnement à 2,970 Gbit/s, 2,970/1,001 Gbit/s, 1,485 Gbit/s, 1,485/1,001 Gbit/s et 270 Mbit/s
- Prend en charge SMPTE ST 425 (niveau A et niveau B), SMPTE ST 424, SMPTE ST 292, SMPTE ST 259-C et DVB-ASI
- Pilote de câble intégré
- VCO intégré à faible bruit
- PLL intégrée à bande passante étroite
- Intégrateur audio intégré pour jusqu'à 8 canaux audio 48 kHz
- Insertion de données auxiliaires
- Conversion facultative de SMPTE ST 425 niveau A au niveau B pour 1080p 50/60 4:2:2 10 bits
- Bus de données parallèle sélectionnable en 20 bits ou en 10 bits
- Traitement vidéo SMPTE, y compris le calcul et l'insertion de TRS, le calcul et l'insertion de numéros de ligne, le calcul et l'insertion de CRC basés sur les lignes, le remappage de code illégal, la génération et l'insertion d'identifiants de charge utile SMPTE ST 352
- Interface hôte GSPI
- Alimentation à noyau numérique de +1,2 V, alimentations analogiques +1,2 V et +3,3 V, et alimentation d'E/S sélectionnable +1,8 V ou +3,3 V
- Plage de températures de fonctionnement de -20 ºC à +85 ºC
- Fonctionnement à faible consommation (généralement à 400 mW, y compris le pilote de câble)
- Petit paquet BGA de 11 mm x 11 mm à 100 billes
- Sans plomb et conforme RoHS
Applications
- Caméra/caméscope 1080p 50/60
- Convertisseur double liaison (HD-SDI) vers liaison unique (3G-SDI)
- Module d'intégration audio multiformat
- Serveur vidéo/magnétoscope numérique multiformat
- Sélecteur de présentation multiformat (étage de sortie)
- Générateur de signaux de test SDI 3 Gbit/s
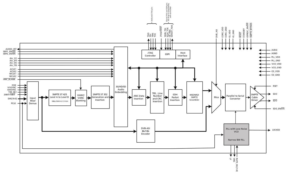
Schéma fonctionnel
Publié le: 2022-11-03
| Mis à jour le: 2023-05-18
