Diodes Incorporated Éléments Hall InSb AHE101
Les éléments Hall InSb AHE101 de Diodes Incorporated offrent une sensibilité ultra-élevée pour détecter les petits champs magnétiques et fournir une sortie analogique proportionnelle. Ces éléments Hall présentent une tension de sortie maximale de 415 mV, une tension d'entrée maximale de 2 V, une plage de résistance d'entrée/sortie de 240Ω à 550Ω et une plage de température de fonctionnement de -40°C à 125°C. Les éléments Hall AHE101 sont configurés dans une structure de pont et offrent une large plage de température de fonctionnement de -40°C à 125°C. Ces capteurs sont disponibles avec plusieurs sensibilités Hall (catégories), offrant différents niveaux de tension de sortie pour toute intensité de champ donnée, et permettant une optimisation pour les besoins de diverses applications. Les éléments Hall AHE101 sont disponibles dans le boîtier SOT23-4 (type A) et sont conformes à la directive RoHS. Applications typiques inclut les moteurs brushless ventilateurs la rotation vitesse détection courant mesure la rotation des roues vitesse détection et magnétique codeurs.Caractéristiques
- Sensibilité ultra-élevée
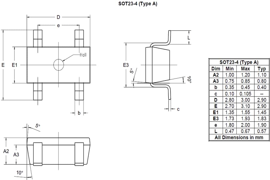
- Boîtier SOT23-4 classique (type A)
- Totalement sans plomb
- Entièrement conforme à la directive RoHS
- Dispositif « vert » sans halogène ni antimoine
- Pour les applications automobiles nécessitant un contrôle spécifiques des modifications (c'est-à-dire des pièces homologuées selon AEC-Q100/101/104/200, compatibles PHPP et fabriquées dans des installations certifiées IATF 16949)
Applications
- Détection de l'ouverture et de la fermeture des téléphones portables et des ordinateurs personnels
- Détection avec joysticks
- codeurs Magnétiques
- Mesures de courant avec des ampèremètres de fil aérien (ampèremètres à pince)
- Détection de position avec des moteurs brushless et détection de la vitesse de rotation de la roue
- Commutations sans contact, mesures de vitesse et détection/indexation de la position angulaire :
- Appareils électroménagers grand public
- Équipement Bureau
- Dispositifs industriels
Caractéristiques techniques
- Courant d'entrée maximal de 20 mA
- Tension d'entrée maximale de 2 V
- Plage de température de fonctionnement de -40 °C à 125 °C
- Plage de résistance entrée/sortie de 240 Ω à 550 Ω
- Tension de sortie Hall minimale de 168 mV (@50mT 1 V)
- Tension de sortie Hall maximale de 415 mV (@50mT 1 V)
- Boîtier SOT23-4 (Type A)
Schéma des dimensions
Caractéristique de fonctionnement standard
Publié le: 2025-04-07
| Mis à jour le: 2025-05-06
