Infineon Technologies Émetteur-récepteur FD CAN haut débit TLE9351BVSJ
L’émetteur-récepteur FD CAN haut débit TLE9351BVSJ d'Infineon Technologies est conçu pour protéger le microcontrôleur contre les interférences générées à l’intérieur du réseau. Cet émetteur-récepteur offre un très faible niveau d’émissions électromagnétiques (EME) et respecte les limites de test CEM sans avoir besoin d’une bobine d’arrêt en mode commun. L’émetteur-récepteur TLE9351BVSJ prend en charge des débits de transmission de données jusqu’à 5 Mbit/s et FD CAN. Cet émetteur-récepteur comprend une fonction de schéma de réveil de bus (WUP) avec un temps de filtre optimisé pour une utilisation OEM. L’émetteur-récepteur TLE9351BVSJ est utilisé dans les unités de contrôle de moteur (ECU), les modules de contrôle de carrosserie (BCM), les unités de contrôle de transmission (TCU) et la direction assistée électrique.L'émetteur-récepteur TLE9351BVSJ est doté d'une protection contre la surchauffe, d'une fonction avec délai d'expiration TxD et d'un courant de repos <18 μa="" avec="" stb="" @5="" v.="" cet="" émetteur-récepteur="" est="" conforme="" aux="" normes="" iso="" 11898-2:2016="" et="" sae="" j2284-4/-5="" et="" est="" certifié="" conforme="" aux="" exigences="" du="" test="" velio="" (vehicle="" lan="" interoperability="" and="" optimization).="" l'émetteur-récepteur="" tle9351bvsj="" est="" protégé="" contre="" les="" transitoires="" automobiles="" conformément="" aux="" normes="" iso="" 7637="" et="" sae="">18>
Caractéristiques
- Fonction de schéma de réveil de bus (WUP) avec temps de filtrage optimisé pour une utilisation de FEO
- Mode veille avec courant de repos minimisé
- L'alimentation de l'émetteur VCC peut être désactivée en mode veille pour minimiser le courant de repos
- Fonction de temporisation TxD
- Courant de fuite du bus CAN très faible en état d'arrêt d'alimentation
- Protection contre la surchauffe
- Entrée VIO pour l'adaptation de la tension à l'interface du microcontrôleur (3,3 V ou 5 V)
- Symétrie du délai de boucle pour les trames de données CAN FD jusqu'à 5 Mbit/s
- Conformité aux exigences de test d'interopérabilité et d'optimisation du réseau de communication des véhicules (VeLIO)
- Excellente robustesse DES
- Protection contre les transitoires automobiles selon les normes ISO 7637 et SAE J2962-2
- Disponible dans un boîtier PG-DSO-8 conforme à la directive RoHS et sans halogène
Applications
- Unités de contrôle moteur (ECU)
- Modules de contrôle de la carrosserie (BCM)
- Unités de contrôle de la transmission (TCU)
- Direction assistée électrique
- Modules de contrôle du châssis
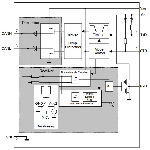
Schéma fonctionnel du TLE9351BVSJ
Publié le: 2024-03-11
| Mis à jour le: 2025-02-12
