Broadcom Cartes d’évaluation de pilote de ligne AELT-8000
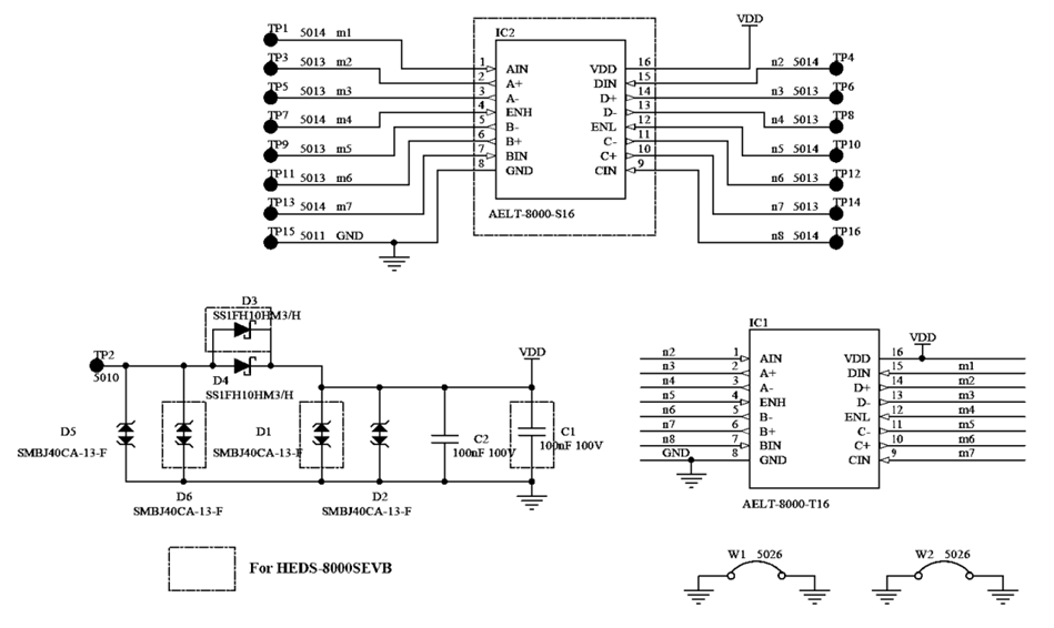
Les cartes d’évaluation du pilote de ligne AELT-8000 de Broadcom permettent aux utilisateurs d’évaluer les performances et les fonctionnalités du CI du pilote de ligne AELT-8000. Chaque point de test est connecté aux broches du CI et chaque carte d’évaluation est préremplie avec un condensateur (qui fonctionne comme un condensateur de découplage) et des diodes (pour la protection de tension inverse et le calage de tension).Le HEDS-8000SEVB de Broadcom est monté avec le composant du CI AELT-8000-S16 (SOIC-16). Le HEDS-8000TEVB est monté avec le composant du CI AELT-8000-T16 (TSSOP-16).
Caractéristiques
- Fréquence de fonctionnement jusqu’à 5 MHz
- Plage d’alimentation du pilote de 4,5 V à 36 V
- Brochage compatible avec 26xx31, xx7272
- Sorties à trois états résistantes aux courts-circuits
- Faible délai de propagation 80 ns (standard)
- Entrées tamponnées compatibles CMOS haute impédance et TTL avec hystérésis
- Plage de température de fonctionnement de -40 °C à 125 °C
- Circuit de protection contre la surchauffe
- Surveillance de sous-tension
Applications
- Pilote de ligne pour systèmes de commande 5 V à 36 V
- Interface d’encodeur rotatif et linéaire
- Contrôles industriels
- Systèmes de capteurs
Dimensions de la carte (mm)
Schéma
Topologie
Publié le: 2025-03-11
| Mis à jour le: 2025-03-17
