Microchip Technology Programmateur/débogueur en circuit MPLAB® PICkit™ 5
Le débogueur/programmateur en Circuit MPLAB® PICkit™ 5 de Microchip Technology permet un prototypage rapide et une programmation portable prête à la production pour tous les composants Microchip, y compris les composants PIC®, dsPIC®, AVR® et SAM (ARM®). En conjonction avec l’environnement de développement (IDE) MPLAB X Integrated, ce kit fournit une interface utilisateur graphique (GUI) puissante et facile à utiliser pour le débogage et la programmation. Le MPLAB PICkit 5 peut également être utilisé comme débogueur/programmateur autonome avec l’application mobile MPLAB Programmer-To-Go (PTG) via une connexion BLUETOOTH®. Ce compagnon de programmation polyvalent permet le prototypage et le débogage de la solution d'un utilisateur. Débranchez, puis déployez la solution sur le terrain.Le MPLAB PICkit 5 prend en charge diverses interfaces telles que le JTAG à quatre fils ou le SWD (Serial Wire Debug) avec port de communication virtuel (VCP) UART pour la diffusion et avec carte adaptateur de débogueur (AC102015), il peut utiliser des connecteurs standard pour les protocoles JTAG, SWD, ICSP et AVR. Avec la fonction Programmer-To-Go unique, le PICkit 5 peut également être alimenté par la carte cible et programmer une image par défaut simplement en appuyant sur le bouton caché sous le logo. Les utilisateurs peuvent également se connecter via Bluetooth à l'aide de l'application mobile PTG MPLAB, naviguer sur la carte micro SDTM installée dans l'outil pour une image différente et commencer à programmer la carte cible directement depuis l'application.
Caractéristiques
- Se connecte à un ordinateur avec un câble USB Type-C™
- Alimenté par l'USB ou le dispositif cible et peut en option alimenter la cible (jusqu'à 150 mA)
- Connecteur de programmation SIL à 8 broches avec la possibilité d'utiliser diverses interfaces
- Programme des dispositifs utilisant l'IDE MPLAB X ou l'IPE MPLAB
- Prises en charge
- Programmateur-To-Go (PTG) vers les dispositifs à programmer sur le terrain
- Application iOS/Android MPLAB PTG utilisée pour sélectionner et gérer des images de programme PTG via BLUETOOTH
- Port COM virtuel (VCOM)
- Plusieurs points de rupture matériels/logiciels, chronomètre et débogage de fichiers de code source
- Nouveaux dispositifs/caractéristiques via des packs nouveaux/mis à jour en IDE MPLAB X ou IPE MPLAB
- Débogage
- Applications des utilisateurs sur le matériel de l'utilisateur en temps réel
- À des vitesses de fonctionnement complètes du dispositif
- Définit les points de rupture en fonction d'événements internes
- Surveille les registres de fichiers internes
- Configure les pilotes de broches
- Indique l'état du débogueur via la bande de voyants lumineux
- Plage de température de fonctionnement de 0 °C à +70 °C
- Performances/vitesse
- Système d'exploitation en temps réel (RTOS)
- Aucun retard de téléchargement du micrologiciel n'est pris lors de la commutation des périphériques
- Microcontrôleur (MCU) 32 bits fonctionnant à 300 MHz
- Sécurité
- Recevez une rétroaction du débogueur lorsque l'alimentation électrique externe est nécessaire pour la cible
- Prend en charge les tensions d’alimentation cibles
- Entrée en mode de programmation basse tension de 1,2 V à 5,0 V
- Entrée en mode de programmation haute tension de 1,8 V à 5,0 V
- Un circuit de protection est ajouté aux pilotes de sonde pour éviter les surtensions cibles
- Les dispositifs de surveillance de tensions VDD et VPP protègent contre les conditions de surtension, toutes les lignes disposant d’une protection contre les surintensités
- Broches de programmation/débogage avec une plage programmable de valeurs de résistance et de direction (pull-up, pull-down ou inexistantes)
- La vitesse de programmation contrôlée fournit de la flexibilité pour surmonter les problèmes de conception de la carte cible
- Conforme CE et RoHS
Contenu du kit
- Unité MPLAB PICkit5 de forme rectangulaire logée dans un boîtier en plastique noir durable avec un dessus en métal brossé accentué par une bande lumineuse d'indicateurs
- Connecteur USB Type-C
- Connecteur SIL (single inline) 8 broches
- Emplacement pour carte Micro SD
- Bouton de récupération d'urgence
- Connecteur lanière
- Câble USB Type-C pour fournir :
- Communications entre le débogueur et un ordinateur
- Alimentation du débogueur
- Module certifié BLUETOOTH 5.0 pour la communication entre l'application PTG MPLAB et le MPLAB PICkit 5
- 2 autocollants de débogueur/programmateur en circuit MPLAB PICkit 5
Équipement nécessaire
- Port USB 2.0 disponible
- Microsoft Windows® 7 ou version ultérieure, macOS® ou Linux®
- IDE (environnement de développement intégré) MPLAB X version 6.10 ou ultérieure
Vidéos
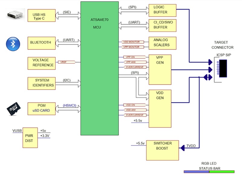
Schéma fonctionnel
