Analog Devices Inc. Carte d'évaluation EV-ADF4382A
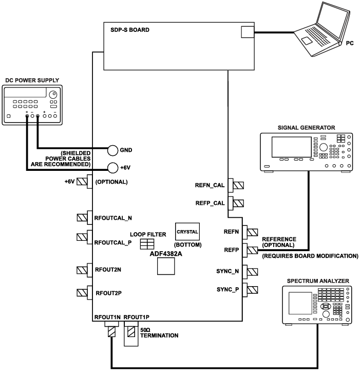
La carte d’évaluation d’Analog Devices EV-ADF4382A est conçue pour évaluer le synthétiseur de fréquence ADF4382A avec un oscillateur intégré commandé en tension (VCO) pour les boucles à verrouillage de phase (PLL). Cette carte dispose d’une interface USB, de connecteurs d’alimentation électrique, d’un oscillateur de référence intégré, de chemins de calibration du retard de propagation et de connecteurs Sub-Miniature Version A (SMA). La sortie de la carte d’évaluation EV-ADF4382A est couplée en alternatif avec des lignes de transmission de 50Ω, adaptées pour alimenter des instruments d’impédance de 50Ω. Cette carte d’évaluation est idéale pour les tests et mesures, la synchronisation des convertisseurs de données haute performance, et les infrastructures sans fil (MC-GSM, 5 G et 6 G).Caractéristiques
- Carte d’évaluation autonome, comprenant le synthétiseur de fréquence ADF4382A avec VCO intégré, filtre de boucle, interface USB, oscillateur de référence embarqué, chemins d’étalonnage du retard de propagation et régulateurs de tension
- Le logiciel sous Windows® permet de contrôler les fonctions du synthétiseur à partir d’un PC
- Alimenté en externe par 6 V
Applications
- Horloge convertisseur de données haute performance
- Infrastructure sans fil (MC-GSM, 5G et 6G)
- Test et mesure
Équipement nécessaire
- Un PC sous Windows avec port USB™ pour le logiciel d’évaluation
- Une plateforme de démonstration système, carte contrôleur EVAL-SDP-CS1Z uniquement en série (SDP-S)
- Alimentation 6 V
- Analyseur de spectre ou analyseur de bruit de phase
- Terminaisons 50Ω
- Source de référence d’entrée (REFIN) à faible bruit (optionnelle)
Schéma de configuration de la carte d’évaluation
Publié le: 2024-02-05
| Mis à jour le: 2024-07-05
