Analog Devices Inc. Kit d'évaluation EV-ADF4378SD1Z
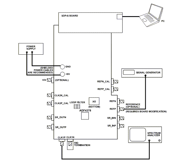
Le kit d’évaluation EV-ADF4378SD1Z d'Analog Devices permet aux utilisateurs d’évaluer le synthétiseur de fréquence ADF4378 avec un oscillateur commandé en tension (VCO) intégré pour les boucles à verrouillage de phase (PLL). L'EV-ADF4378SD1Z comprend le synthétiseur de fréquence ADF4378 avec un VCO intégré, une interface USB, des connecteurs d’alimentation, des chemins d’étalonnage de délai de propagation, un oscillateur de référence embarqué et des connecteurs subminiatures de version A (SMA). Les sorties du kit sont couplées en CA avec des lignes de transmission de 50 Ω, idéales pour que les sorties pilotent des instruments d’impédance de 50 Ω. Le EV-ADF4378SD1Z nécessite une carte contrôleur SDP-S (non fournie avec le kit). Le SDP-S fournit une programmation logicielle de l'EV-ADF4378SD1Z ADI grâce au logiciel ACE.Caractéristiques
- Carte autonome, comprenant un synthétiseur de fréquence ADF4378 avec VCO intégré, un filtre de boucle, une interface USB, un oscillateur de référence embarqué, des chemins d’étalonnage du délai de propagation et des régulateurs de tension
- Le logiciel basé sur Windows® permet de commander les fonctions de synthétiseur à partir d’un PC
- Alimenté en externe par 6 V
Équipement nécessaire
- PC sous Windows avec port USB pour logiciel d’évaluation
- Plateforme de démonstration du système, série uniquement (SDP-S) carte contrôleur EVAL-SDPCS1Z
- Alimentation électrique (6 V)
- Terminaisons 50 Ω
- Analyseur de spectre ou analyseur de bruit de phase, oscilloscope ou analyseur de communication numérique (DCA)
- Source REFIN à faible bruit (en option)
- horloge SYSREF
Logiciels
- Logiciel ACE, version 1.26 ou ultérieure
- Plug-in ADF4378, version 1.2022.48100 ou plus récente
Schéma de configuration
Topologie
Publié le: 2024-05-07
| Mis à jour le: 2024-06-24
