Analog Devices Inc. Module de conversion analogique/numérique (DAQ) quadruple canal ADAQ4381-4
Le module d’acquisition de données à quatre canaux (DAQ) ADAQ4381-4 d’Analog Devices Inc.est conçu pour la précision et l’efficacité. Ce dispositif intègre un CAN 14 bits à haute résolution, 4 MS/S, un pilote CAN et une gestion de l’alimentation dans un seul dispositif. En utilisant la technologie SIP, le module ADAQ4381-4 réduit le nombre de composant du système final en combinant plusieurs blocs de traitement et de conditionnement signal communs en un seul dispositif. Le module prend en charge les entrées différentielles totales et asymétriques, garantissant ainsi la flexibilité dans diverses applications. Idéal pour l’automatisation industrielle, l’imagerie médicale et les équipements de test, l'ADAQ4381-4 combine des performances à grande vitesse avec une intégration peu encombrante.Caractéristiques
- Système d’acquisition de données μModule® facile à utiliser :
- Réduction de l’empreinte de 11 fois par rapport à la solution discrète
- Composants passifs critiques intégrés
- Exploitation avec alimentation unique de 5 V
- 14 bits garantis sans codes manquants
- Fonction de suréchantillonnage sur puce
- Amplificateur de résolution 2 bits
- Indicateur hors portée (ALERTE)
- SNR (standard)
- 85 dB pour un gain = 1, fIN = 1 kHz
- 92,4 dB avec OSR = x8 à gain = 1, fIN = 1 kHz
- Synchronisation de phase d’un canal à l’autre : 0,005 ° standard à fIN = 20 kHz
- Référence intégrée haute précision, dérive standard de 3 tr/min/°C
- Erreur de gain standard de 0,003 %
- Dérive de gain standard de 0,8 tr/min/°C
- Tampon interne intégré avec génération VCM
- Pilote CAN différentiel totale intégré avec mise à l’échelle du signal :
- Large plage de tension d'entrée en mode commun
- Taux élevé de réjection en mode commun
- Conversion frontal unique vers différentiel
- Interface série haut débit
Applications
- Système de test de batterie de qualité laboratoire
- Détection de courant de contrôle de moteur
- Rétroaction de position de commande moteur
- Sondeur
- Surveillance de la qualité de puissance
- Système d'acquisition de données
- Exigences d’amplificateur de fibre dopée à l’erbium (EDFA)
- Démodulation en phase et quadrature
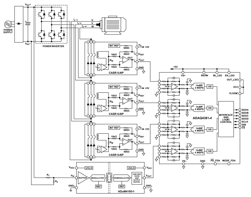
Schéma du circuit d’application
Publié le: 2025-01-27
| Mis à jour le: 2025-03-14
