Samtec Connecteurs de câble de précision PRF92
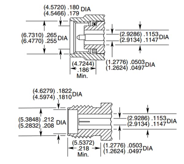
Les connecteurs de câble de précision PRF92 de Samtec sont des interconnexions RF de précision de 2,92 mm qui offrent des performances jusqu'à 40 GHz et une impédance nominale de 50 Ω. Ces connecteurs de câble sont conçus avec des câbles flexibles semi-rigides et à faible perte. Les connecteurs de câble de précision PRF92 de Samtec disposent d'une prise à montage par compression avec une bride à deux trous dans diverses épaisseurs de carte.Caractéristiques
- 2,92 mm
- Performances jusqu'à 40 GHz
- Impédance nominale : 50 Ω
- Câbles semi-rigides et flexibles à faible perte
Interface standard
Publié le: 2022-05-04
| Mis à jour le: 2022-05-10
