ROHM Semiconductor Carte de référence RB-D62Q2723GA64
La carte de référence RB-D62Q2723GA64 ROHM Semiconductor comprend le microcontrôleur RISC 16 bits CMOS ML62Q2723 LAPIS conçu pour des performances efficaces et fiables dans une plage d’applications. Cette carte de référence ROHM Semiconductor fournit une plateforme pratique pour évaluer et développer des systèmes intégrés, en tirant parti de la faible puissance de consommation, de la haute efficacité de traitement et de l’intégration polyvalente des périphériques du ML62Q2723. L’architecture RISC 16 bits garantit le contrôle et un calcul précis, ce qui le rend idéal pour l’automatisation industrielle, l’électronique consommateur, les dispositifs IoT et les systèmes automobiles. Equipée de diverses interfaces, notamment CAN, MLI, UART, SPI et2C, la carte facilite le prototypage rapide et une intégration transparente avec des capteurs, des actionneurs et des modules de communication. Sa conception robuste et sa facilité d’utilisation permettent aux développeurs d’accélérer les délais de projet tout en explorant les capacités du microcontrôleur ML62Q2723.Caractéristiques
- Fourni avec le microcontrôleur (MCU) RISC 16 bits CMOS ML62Q2723 LAPIS, QFP 64 broches
- Monté avec le connecteur lié à l’ EASE1000 V2
- Perçages pour connecter les PINS du LSI aux cartes périphériques externes
- L’alimentation électrique est sélectionnable, fournie par l’émulateur sur puce EASE1000 V2 ou CN1_3 broches/CN2_2 broches
- Cristal monté 32.768 KHz
- Les LED (P20, P21, P22) sont montées
- Le schéma des composants pour le convertisseur A/N de type approximation successive est disponible (P23, P24, P25, P26)
- Consommation de faible puissance
- Mémoire flash et RAM interne
- Interfaces E/S et de communication flexibles
- Traitement en temps réel
- Plage d’alimentation en fonctionnement de 1,8 V à 5,5 V
- Facteur de forme compact, taille 56 mm x 94 mm x 15 mm (LxPxH)
Applications
- Industrie
- Électronique grand public
- Automobile
- Dispositifs médicaux
- Internet des objets (IoT) en général
- Communications
Présentation générale
Circuit d’alimentation
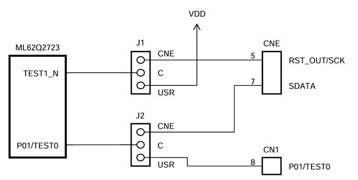
Interface EASE1000 V2
Schéma du PCB
Publié le: 2024-12-31
| Mis à jour le: 2025-01-29
