ROHM Semiconductor Carte de référence RB-D62Q2703TB48
La carte de référence RB-D62Q2703TB48 de ROHM Semiconductor est équipée du microcontrôleur (MCU) 16 bits RISC CMOS LAPIS ML62Q2703, offrant une plateforme robuste pour des applications à faible puissance et haute efficacité. Conçu avec polyvalence, cette carte de référence est idéale pour l’automatisationdomestique/l’immotique, le contrôle des systèmes industriels, les dispositifs IoT et l’électronique portable. Le microcontrôleur (MCU) ML62Q2703 combine la consommation faible puissance avec périphériques intégrés, y compris les CAN, les minuteurs et les interfaces de communication, ce qui le rend parfaitement adapté aux dispositifs fonctionnant sur batterie et aux conceptions compactes.Avec la prise en charge de contrôle LCD et d’une architecture RISC de 16 bits qui offre un traitement efficace, la carte de référence RB-D62Q2703TB48 ROHM Semiconductor simplifie le développement pour les applications telles que les dispositifs domestiques intelligents, les instruments médicaux et les systèmes intégrés. Les fonctionnalités flexibles et la conception conviviale de la carte en font un excellent choix pour le prototypage et la production à petite échelle dans divers domaines d’application.
Caractéristiques
- Fournie avec le microcontrôleur (MCU) CMOS RISC 16 bits LAPIS ML62Q2703, TQFP 48 broches
- Montée avec le connecteur lié à EASE1000 V2
- Perçages pour la connexion des PINS du LSI aux cartes périphériques externes
- Alimentation électrique sélectionnable, fournie par l’émulateur intégré EASE1000 V2 ou CN1_3 broches/CN2_2 broches
- Cristal monté 32.768 KHz
- LED montées (P20, P21, P22)
- Le modèle de pied avec les composants pour le convertisseur A/N de type à approximations successives est disponible (P23, P24, P25, P26)
- Consommation de faible puissance
- Mémoire flash interne et RAM
- Interfaces E/S et de communication flexibles
- Traitement en temps réel
- Plage d’alimentation en fonctionnement de 1,8 V à 5,5 V
- Facteur de forme compacte, taille 56 mm x 94 mm x 15 mm (LxPxH)
Applications
- Domotique et immotique
- Automatisation industrielle
- Électronique grand public
- Dispositifs médicaux et de santé
- Électronique automobile
- IoT (Internet des objets)
- Systèmes de gestion de l'énergie
- Prototypage et formation aux systèmes intégrés
Présentation générale
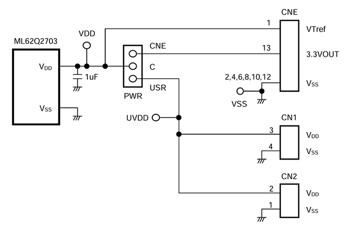
Circuit d’alimentation
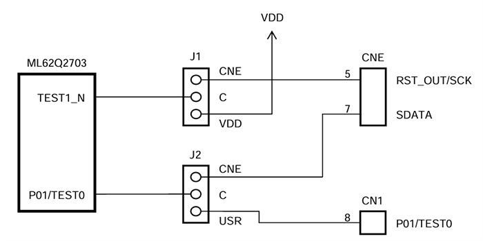
Interface EASE1000 V2
Schéma du PCB
Publié le: 2024-12-31
| Mis à jour le: 2025-01-07
