ROHM Semiconductor Carte de référence RB-D62Q2534TB48
La carte de référence RB-D62Q2534TB48 de ROHM Semiconductor est une plateforme de développement polyvalente alimentée par le microcontrôleur RISC 16 bits CMOS ML62Q2534 LAPIS. Conçue pour unprototypage et une évaluation efficaces, cette carte excelle dans les applications tels que automobile, comprenant les convertisseurs principaux, les chargeurs embarqués et les systèmes de gestion de batterie. Les capacités de traitement robustes de la carte, la faible puissance de consommation et les périphériques intégrés la rendent idéale pour l’automatisation industrielle et l’électronique intelligente grand public. Compatible avec les outils de développement avancés de ROHM, la RB-D62Q2534TB48 rationalise le processus de conception, en permettant aux ingénieurs de créer des solutions innovantes, économes en énergie et fiables pour les systèmes intégrés modernes.Caractéristiques
- Fournie avec le microcontrôleur (MCU) RISC 16 bits CMOS ML62Q2534 LAPIS, TQFP 48 broches
- Montée avec le connecteur lié à l’ EASE1000 V2
- Perçages pour connecter les PINS du LSI aux cartes périphériques externes
- Alimentation électrique sélectionnable, fournie par l’émulateur sur puce EASE1000 V2 ou CN1_3 broches
- Cristal monté 32.768 KHz
- LED montées (P20, P21, P22)
- Modèle de pied avec composants pour convertisseur A/N de type approximation successive est disponible (P30, P31, P32, P33)
- Consommation de faible puissance
- Mémoire flash et RAM interne
- Interfaces E/S et de communication flexibles
- Traitement en temps réel
- Plage d’alimentation en fonctionnement de 1,8 V à 5,5 V
- Facteur de forme compact, taille 56 mm x 94 mm x 15 mm (LxPxH)
Applications
- Systèmes automobiles
- Équipement industriel
- Électronique grand public
Présentation générale
Circuit d’alimentation
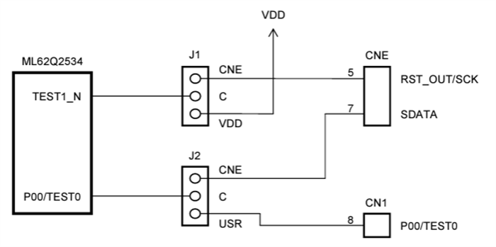
Interface EASE1000 V2
Schéma du PCB
Publié le: 2024-12-30
| Mis à jour le: 2025-01-07
