ROHM Semiconductor Carte de référence RB-D62Q2522GD40
La carte de référence RB-D62Q2522GD40 ROHM Semiconductor est une plateforme de développement robuste dotée du microcontrôleur RISC 16 bits CMOS LAPIS ML62Q2522, adapté à diverses applications intégrées. Avec une consommation faible puissance, un traitement efficace et des périphériques intégré, cette carte est idéale pour les systèmes automobiles tels que les chargeurs embarqués, les systèmes de gestion de batterie et les convertisseurs CC-CC. Le RB-D62Q2522GD40 ROHM Semiconductor prend en charge également les équipements industriels pour l’automatisation d’usine/le contrôle et l’électronique grand public nécessitant des conceptions intelligentes et économes en énergie. Compatible avec les outils de développement de ROHM, le RB-D62Q2522GD40 simplifie le prototypage, les tests et l’optimisation, permettant aux ingénieurs de créer des solutions innovantes et fiables dans les domaines de l’automobile, de l’industrie et de la consommation.Caractéristiques
- Fourni avec le microcontrôleur (MCU) RISC 16 bits CMOS ML62Q2522 LAPIS, WQFN 40 broches
- Équipée du connecteur lié à l’ EASE1000 V2
- Perçages pour connecter les PINS du LSI aux cartes périphériques externes
- Alimentation électrique sélectionnable, fournie par l’émulateur sur puce EASE1000 V2 ou CN1_3 broches
- Cristal monté 32.768 KHz
- LED montées (P20, P21, P22)
- Modèle de pied avec composants pour convertisseur A/N de type approximation successive est disponible (P30, P31, P32, P33)
- Consommation de faible puissance
- Mémoire flash et RAM interne
- Interfaces E/S et de communication flexibles
- Traitement en temps réel
- Plage d’alimentation en fonctionnement de 1,8 V à 5,5 V
- Facteur de forme compact, taille 56 mm x 94 mm x 15 mm (LxPxH)
Applications
- Électronique grand public
- Équipement industriel
- Systèmes automobiles
- Dispositifs médicaux
- Appareils intelligents
Présentation générale
Circuit d’alimentation
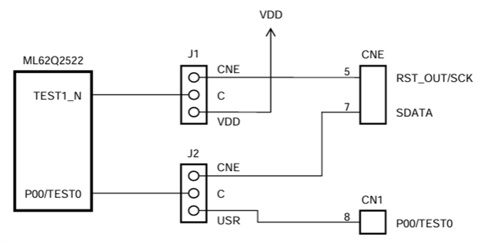
Interface EASE1000 V2
Schéma du PCB
Publié le: 2024-12-30
| Mis à jour le: 2025-01-07
