ROHM Semiconductor Carte de référence RB-D62Q2504TB32
La carte de référence RB-D62Q2504TB32 de ROHM Semiconductor est une plateforme de développement polyvalente alimentée par le microcontrôleur RISC 16 bits ML62Q2504 CMOS LAPIS. Conçue pour faciliter le prototypage et l’évaluation, cette carte prend en charge une large gamme de applications notamment l’électronique grand public, les équipements industriels, les appareils intelligents et les systèmes automobiles auxiliaires. Le microcontrôleur (MCU) ML62Q2504 présente un traitement efficace, une consommation faible puissance et une intégration périphérique robuste, ce qui le rend idéal pour le développement de systèmes Internet des objets (IoT) et intégré.La carte est compatible avec les outils de développement LEXIDE-U16 de ROHM Semiconductor et rationalise les processus de codage, de débogage et d’optimisation. Le RB-D62Q2504TB32 est un outil puissant pour créer des solutions innovantes dans les domaines de la technologie quotidienne et des applications industrielles.
Caractéristiques
- Fourni avec le microcontrôleur (MCU) CMOS RISC 16 bits LAPIS ML62Q2504, TQFP 32 broches
- Monté avec le connecteur lié à l’ EASE1000 V2
- Trous traversants pour connecter les PINS du LSI aux cartes périphériques externes
- Alimentation électrique sélectionnable, fournie par l’émulateur sur puce EASE1000 V2 ou CN1_3 broches
- Cristal monté 32.768 KHz
- Les LED sont montées (P20, P21, P22)
- Le schéma de pied avec les composants pour le convertisseur A/N de type approximation successive est disponible (P30, P31, P32, P33)
- Consommation de faible puissance
- Mémoire flash interne et RAM
- Interfaces E/S et de communication flexibles
- Traitement en temps réel
- Plage d’alimentation en fonctionnement de 1,8 V à 5,5 V
- Facteur de forme compact, taille 56 mm x 94 mm x 15 mm (LxPxH)
Applications
- Électronique grand public
- Équipement industriel
- Systèmes automobiles
- Dispositifs médicaux
- Appareils intelligents
Présentation générale
Circuit d’alimentation
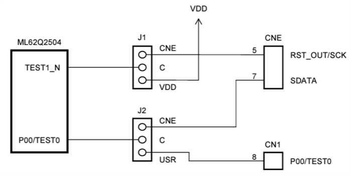
Interface EASE1000 V2
Schéma du PCB
Publié le: 2024-12-30
| Mis à jour le: 2025-01-07
