ROHM Semiconductor Carte de référence RB-D62Q2502TB32
La carte de référence RB-D62Q2502TB32 de ROHM Semiconductor est une plateforme de développement construite autour du microcontrôleur RISC 16 bits CMOS ML62Q2502 LAPIS, conçue pour une large gamme d’applications intégrées. Le microcontrôleur (MCU) ML62Q2502 est basé sur le nœud nX-U16/100, offrant un traitement efficace, une consommation de faible puissance et une intégration périphérique polyvalente, ce qui le rend idéal pour l’Internet des objets (IoT), l’électronique grand public et les systèmes industriels. La carte offre un accès pratique aux microcontrôleurs (MCU), aux GPIO et aux périphériques, facilitant ainsi le prototypage rapide et les tests.Grâce au support de l’environnement de développement LEXIDE-U16 de ROHM, les développeurs peuvent facilement écrire, déboguer et optimiser des applications. Le RB-D62Q2502TB32 est un outil idéal pour les ingénieurs souhaitant créer des solutions innovantes dans les appareils intelligent, les systèmes automobiles, les dispositifs médicaux et plus encore.
Caractéristiques
- Fourni avec le microcontrôleur (MCU) CMOS RISC 16 bits LAPIS ML62Q2502, TQFP à 32 broches
- Montée avec le connecteur lié à l’ EASE1000 V2
- Perçages pour connecter les PINS de LSI aux cartes périphériques externes
- Alimentation électrique sélectionnable, fournie par l’émulateur sur puce EASE1000 V2 ou CN1_3 broches
- Cristal monté 32.768 KHz
- Les LED sont montées (P20, P21, P22)
- Le schéma de pied avec les composants pour le convertisseur A/N de type approximation successive est disponible (P30, P31, P32, P33)
- Consommation de faible puissance
- Mémoire flash et RAM internes
- Interfaces E/S et de communication flexibles
- Traitement en temps réel
- Plage d’alimentation en fonctionnement de 1,8 V à 5,5 V
- Facteur de forme compacte, taille 56 mm x 94 mm x 15 mm (LxPxH)
Applications
- Appareils domestiques
- Équipement industriel
- Systèmes automobiles
- Dispositifs de soins de santé
- Électronique grand public
- Internet des objets (IoT) et systèmes intelligents
Présentation générale
Circuit d’alimentation
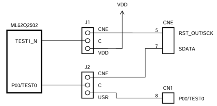
Interface EASE1000 V2
Schéma du PCB
Publié le: 2024-12-30
| Mis à jour le: 2025-01-07
